700.02.080 德国wika差压表 700.02 隔离膜片压差表 wika压差表
![]() |
![]() |
![]() |
![]() |
![]() |
![]() |
![]() |
| 发布时间:2021-06-08 | ||||||
应用
过滤装置
泵监测
制冷回路
管道系统
功能特性
差压测量范围:
700.02型:0 ... 16 kPa至0 ... 0.25 MPa
坚固而紧凑的不锈钢外壳
高工作压力(静压),可选10、25或 40 MPa(700.02型工作压力*高可达10 MPa)
具备过压保护,任意一侧都能达到*高工作压力
系统或显示外壳可现场更换
磁簧式电接点可调并可现场更换
产品描述
700.02型带隔离膜片的适用于液体介质,因此很适合用于水处理与系统。
紧凑的模块化设计使得这种活塞式压力表具有许多优势,如可现场更换测量系统、更新显示外壳以及现成调节和更换磁簧式电接点。
差压表不仅具有高过载承受能力,且仪表任意一侧都能可达到*大工作压力。
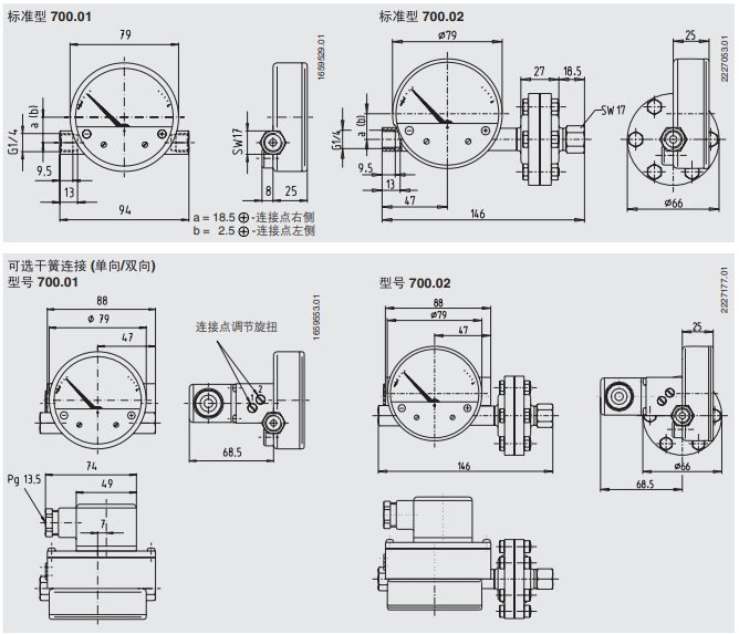
差压表
型号 700.02,带磁性活塞与隔离膜片
技术参数
| 技术参数 | 型号700.01 | 型号700.02 |
| 表圆直径 | 80mm | |
| 精度 | ±3%满量程 | ±5%满量程 |
| 测量范围 | 0-40Kpa 至 0-1Mpa | 0-16Kpa 至 0-0.25Mpa |
| *大工作压力(静压) | 可选:10、25或40Mpa | 10Mpa (量程0-16Kpa和0-25Kpa, 5Mpa) |
| 过压保护 | 两侧*大工作压力 | |
| 防护等级 | IP54 | |
|
压力接口 (与测量介质接触) |
不锈钢 1.4571, 2 x G ¼ 内螺纹, entry on the right and left, in-line (EN 837-1 / 7.3) | |
| 压力元件 | 压力弹簧,不锈钢 1.4310 | |
| 磁性活塞(与测量介质接触) | 活塞: 不锈钢 1.4571, 磁性: 高铁素体 | |
| 隔离膜片(与测量介质接触) | 700.02 NBR | |
尺寸图

走进奥信
公司简介 联系我们解决方案
技术文章 行业应用我们的理念
用科技创新的理念撰写辉煌篇章,向世界展现一幅优品的设计蓝图。
专注的态度成就专业的品质,西安奥信与您携手追求时尚品。
购买的愉悦不仅仅是获得,更是其中的服务,以温馨的服务带来全新的体验。