电接点压力表 PGS23.160 wika不锈钢压力表 232.50.160+821.1 wika压力表
![]() |
![]() |
![]() |
![]() |
![]() |
![]() |
![]() |
| 发布时间:2021-06-02 | ||||||
PGS23描述
PGS23.1x0型电接点,压力表开关电接点(报警用电子式电接点)可根据仪表的指针位置接通和关断电气控制电路。开关电接点在全量程范围内可调(参见DIN 16085)。通常情况下,电接点都安装在表盘下面,只有少数是安装在表盘上面。仪表指针(实际值指针)可在整个量程范围内自由旋转,与设定无关。
应用
控制和调节工业生产过程
监控设备并控制电路通断
适用于非高粘度、不易结晶的侵蚀性气体和液体介质以及侵蚀性环境。
化工、石化、电厂、采矿、沿海和离岸平台、***技术、机械制造和一般设备建造
功能特性
每个仪表的开关电接点多达4个
可提供可充液外壳,适用于高动态压力负载和高振动环境
提供带感应式电接点的仪表,可用于危险区域
提供带电子式电接点的仪表,适合PLC应用
可选:S3安全型仪表,符合EN 837
订购须知:表盘直径 压力范围 安装方式 螺纹规格 材质要求 是否充液
:压力表 不锈钢压力表 隔膜压力表 耐震压力表 精密压力表 绝压表 膜片压力表 差压表
常用型号
wika电接点压力表型号 普通型
PGS23.160: 232.50.160+821.11
PGS23.160:232.50.160+821.12
PGS23.160:232.50.160+821.21
PGS23.160: 232.50.160+821.22
PGS23.160: 232.50.160+821.33
wika电接点压力表型号 充液耐震型
PGS23.160:233.50.160+821.11
PGS23.160:233.50.160+821.12
PGS23.160:233.50.160+821.21
PGS23.160:233.50.160+821.22
PGS23.160:233.50.160+821.33
技术参数
标称尺寸mm :100 160
准确度等级 1.0
压力范围: 0 ... 0.06 MPa [0 ... 8.7 psi] 至 0 ... 160 MPa [0 ... 23206 psi]其它单位(如psi kPa)可用 或所有其它负压和正负压范围
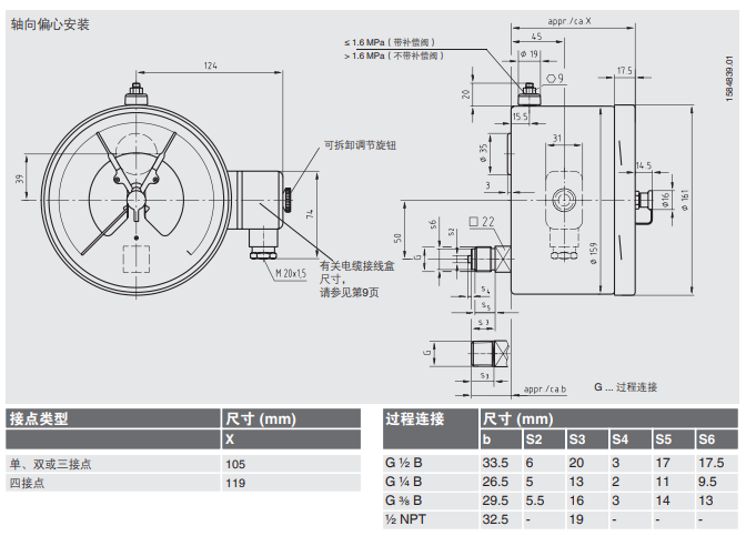
安装方式:径向安装 / 轴向偏心安装
压力接口:
■ G ½ B
■ G ¼ B
■ G ⅜ B
■ ½ NPT
■ M20 x 1.5
开关电接点
821型磁助式电接点
■ 无需控制单元和额外的电源
■ 可直接开关250 V,1 A的负载
■ 每台测量仪表可配备多达4个开关接点
831型电感式电接点
■ 在危险区域使用需要额外的控制单元(904.xx型)
■ 非接触式传感器,长使用寿命
■ 对指示准确度影响较小
■ 在高开关频率下可确保故障安全的开关
■ 不易受腐蚀
■ 有安全版
■ 每台测量仪表可配备多达3个开关接点

尺寸图


走进奥信
公司简介 联系我们解决方案
技术文章 行业应用我们的理念
用科技创新的理念撰写辉煌篇章,向世界展现一幅优品的设计蓝图。
专注的态度成就专业的品质,西安奥信与您携手追求时尚品。
购买的愉悦不仅仅是获得,更是其中的服务,以温馨的服务带来全新的体验。