WIKA波登管压力表 PG23CP 不锈钢面板安装 PG23CP
![]() |
![]() |
![]() |
![]() |
![]() |
![]() |
![]() |
| 发布时间:2021-05-31 | ||||||
产品应用
适用于在腐蚀性环境下,测量非高粘稠或者结晶的气体以及液体腐蚀性介质
满足石油化工、天然气、电厂、水处理等过程工业中的特殊需求
广泛用于海上钻井平台(WHCPs)和液压控制单元(HPUs)
功能特性
全焊接形前边可更好的防止水进入控制面板(防护等级IP 66)
全不锈钢结构
可选“S3”安全型结构,符合EN 837-1标准
产品描述
PG23CP压力表适用于过程工业,压力表安全型的结构适用于石油化工、天然气、电厂以及水/污水处理等行业。压力测量点通常分布于控制元件或控制面板上,如液压控制元件(HUPs)。全焊接形前边配上相应的垫圈可充分保证压力表与面板完全贴合,并确保防护等级达IP66。全不锈钢材质能够更好的增强产品的抗腐蚀性能,使其应用于腐蚀性环境下或测量气体、液体的腐蚀性介质。
PG23CP(”S1”安全型)压力表。压力表表壳背部设计有泄压口,在压力表内部过压时通过背部泄压确保安全。针对苛刻的操作条件(如震动),此款产品另有充液型可选。
型号 PG23CP
波登管压力表,不锈钢材质
面板安装
技术参数
设计:EN 837-1
表盘尺寸:63, 100
精度:
NS 63: 1.6
NS 100: 1.0
压力范围
NS 63: 0 ... 1 to 0 ... 1,000 bar
NS 100: 0 ... 0.6 to 0 ... 1,600 bar
压力接口
不锈钢 316L (NS 63: 1.4571)
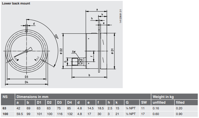
Lower back mount
NS 63: ¼ NPT (male), SW 11
NS 100: ½ NPT (male), SW 17
特殊选项
其他工艺连接,例如高压*器MP:1/4-28 UNF
LH-2A SM250CX20和高压*器HP:1/4-28 UNF LH-2A M250C型
安全型“S3”,带实心挡板墙,并根据EN-837-1进行背面吹扫
订购须知:表盘直径 压力范围 安装方式 螺纹规格 材质要求 是否充液
:压力表 不锈钢压力表 隔膜压力表 耐震压力表 精密压力表 绝压表 膜片压力表 差压表


走进奥信
公司简介 联系我们解决方案
技术文章 行业应用我们的理念
用科技创新的理念撰写辉煌篇章,向世界展现一幅优品的设计蓝图。
专注的态度成就专业的品质,西安奥信与您携手追求时尚品。
购买的愉悦不仅仅是获得,更是其中的服务,以温馨的服务带来全新的体验。