wika半钢压力表 212.20.100 德国威卡径向安装压力表
![]() |
![]() |
![]() |
![]() |
![]() |
![]() |
![]() |
| 发布时间:2021-06-25 | ||||||
产品描述
212.20机械型波登管压力表拥有不锈钢外壳和铜合金接液部件。212.20符合针对波登管压力表的EN837-1工业标准。机械制造、设备建造和建筑设备行业经常需要使用该类型的机械测量仪表。212.20还可用于制冷技术领域。此款压力表拥有100和160 mm两种表圆尺寸,满足IP54防护等级。凭借其1.0的精度,该压力表适用于各类过程工业。模块化的产品设计使其拥有不同的过程连接、表盘尺寸和量程范围,可广泛应用于各个工业领域。用户可通过使用安装法兰或三角凸架和安装支架将压力表安装至控制面板。
产品应用
机械制造和设备建造
建筑设备
制冷技术
适用于非高粘度或不易结晶、不侵蚀铜合金的气体和液体介质
212.20.100半钢压力表:100表盘 160表盘 精度:1.0级 径向安装
技术参数
标准尺寸 (mm):100和160
准确度等级:1.0
量程:0 ... 0.06至0 ... 100 MPa或所有其他同等负压量程或正压和负压联程
压力限值
稳定性:满量程值
波动性:0.9 x满量程值
过压保护:1.3 x满量程值
允许温度
环境温度:-40 … +60℃
介质温度:为+80℃
可选
密封件(910.17型,请见数据资料AC 09.08)
不锈钢面板或表面安装法兰
抛光不锈钢面板安装法兰
三角凸边,不锈钢,抛光,带安装支架
带电接点开关的压力表,参见PGS21.1x0,数据资料PV22.01
其他的过程连接接口
表圆直径10:充液(型号213.53,参考数据资料PM 02.12)
表圆直径16:充液(型号233.50,参考数据资料PM02.02)
常用型号
212.20.100 4 MPa 2nd scale kg/cm2 M20 x 1.5 lower mount
212.20.100 40 MPa G1/2B lower mount
212.20.100 6 bar 1/2 NPT lower mount
212.20.100 6 bar G1/2B lower mount
212.20.100 60 bar M20 x 1.5 lower mount
212.20.160 0.6 MPa G1/2B lower mount
212.20.160 1 MPa G1/2B lower back mount
212.20.160 1.6 MPa G1/2B lower mount

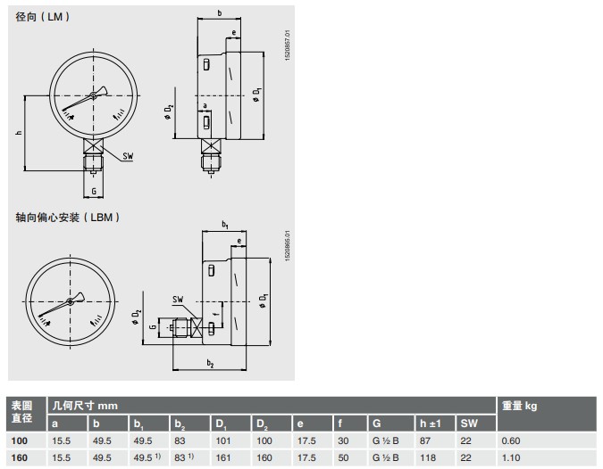
尺寸图
走进奥信
公司简介 联系我们解决方案
技术文章 行业应用我们的理念
用科技创新的理念撰写辉煌篇章,向世界展现一幅优品的设计蓝图。
专注的态度成就专业的品质,西安奥信与您携手追求时尚品。
购买的愉悦不仅仅是获得,更是其中的服务,以温馨的服务带来全新的体验。