H117-184 美国UE微压压力开关 316L焊接不锈钢压力开关 UE压力控制器
![]() |
![]() |
![]() |
![]() |
![]() |
![]() |
![]() |
| 发布时间:2021-05-20 | ||||||
产品描述
H117压力开关特点是封装型密封瞬时开关,终端模块连接及环氧涂层铝制外壳。在危险及腐蚀性气氛环境下,选择117系列是zui实用的,它结构小巧严紧,环氧涂层的外壳在恶劣苛刻环境下具有较强的抗腐性能。
本系列产品广泛应用在供水及污水处理装置、泵及造纸行业、食品及饮料厂行业、钢铁厂及铝厂、石油化工和医药行业。
产品*
CCC*
SIL2/SIL3*
UL注册:cULus*:温度: UL 873. UL1203,CSA C22.2 文件#E43374
压力: UL 508. UL 698. CSA C22.2 文件#E40857
级别Ⅰ. 1 & 2区. 组别 B. C和 D
级别Ⅱ. 1 & 2区.组别 E. F和 G
级别Ⅲ. 外壳形式 4X,7,9;IP66
FM*. 3615及3600级别 (不是所有型号.参考选项M415的说明)
CE*,符合低电压规程(LVD)
CE*,符合压力设备规程(PED 97/23/EC)
主要特点
Class I, Division 2, Groups A, B, C & D; ClassII,Division 2, Groups F & G; Class III
全密封型快速干接点开关,带有端子盒
真空开关有多种不同类型的传感组件材料,包括焊接不锈钢膜片及波纹管。
环氧树脂涂层的铝制外壳
真空开关的防护等级IP65
真空开关是平面安装卫生级的传感器
外壳 压铸铝体带环氧涂层 螺钉紧固
外壳等级 符合NEMA 4X;IP65要求
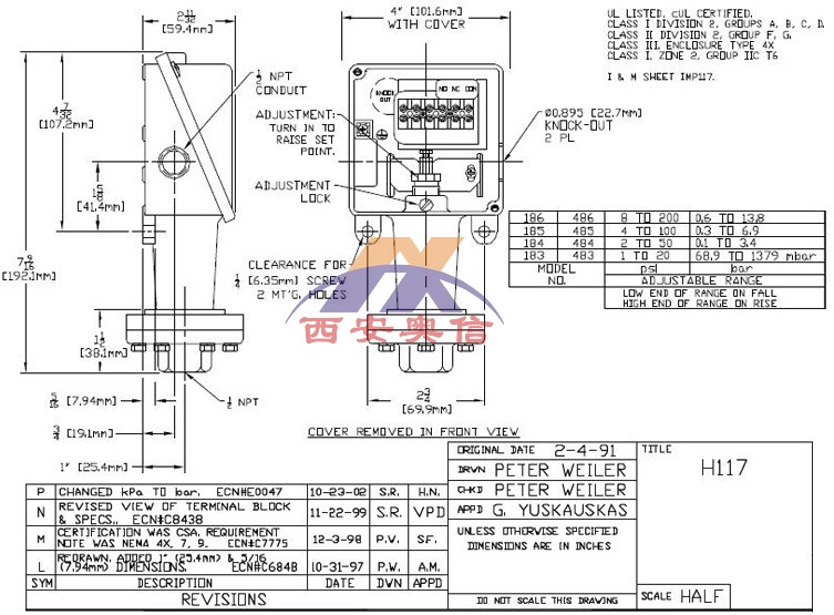
H117-184压力范围:0.1-3.4bar 回差:20.7mbar-0.7bar 焊接316L不锈钢膜片
压力开关/差压开关/温度开关
危险场合型产品: 120系列 12系列 117系列
通用型开关: 100系列 400系列 J6系列 24系列 J21K系列
电子式开关:One系列开关,可带HART协议/输出4-20mA信号/带报警
常用型号
哈C膜片防腐开关(海水/浓水)
H117-183-XD002 H117-184-XD002 H117-185-XD002
H117-186-XD002 H117-188-XD002 H117-189-XD002
| 型号 | 可调整压力范围 | 死区 | *压力 | 耐压 | 接液材质 | 压力接口 |
| H117-183 | 0.1-1.4bar | 20.7mbar-0.3bar | 34.5bar | 68.9bar | 316L焊接不锈钢 | 1/2NPTF |
| H117-184 | 0.1-3.4bar | 20.7mbar-0.7bar | 34.5bar | 68.9bar | 316L焊接不锈钢 | 1/2NPTF |
| H117-185 | 0.6-6.9bar | 34.5mbar-1.1bar | 34.5bar | 68.9bar | 316L焊接不锈钢 | 1/2NPTF |
| H117-186 | 0.6-13.8bar | 34.5mbar-1.5bar | 34.5bar | 68.9bar | 316L焊接不锈钢 | 1/2NPTF |
| H117-188 | 3.4-68.9bar | 2.1-20.7bar | 137.9bar | 482.6bar | 316L焊接不锈钢 | 1/2NPTF |
| H117-189 | 17.2-241.3bar | 3.4-34.5bar | 275.8bar | 482.6bar | 316L焊接不锈钢 | 1/2NPTF |


走进奥信
公司简介 联系我们解决方案
技术文章 行业应用我们的理念
用科技创新的理念撰写辉煌篇章,向世界展现一幅优品的设计蓝图。
专注的态度成就专业的品质,西安奥信与您携手追求时尚品。
购买的愉悦不仅仅是获得,更是其中的服务,以温馨的服务带来全新的体验。