H117-183 防腐不锈钢压力开关 美国UE本安防爆开关 UE压力开关
![]() |
![]() |
![]() |
![]() |
![]() |
![]() |
![]() |
| 发布时间:2021-05-20 | ||||||
H117应用
UE 117系列真空开关可用在腐蚀性场所以及2区防爆要求的单点开关,坚固的外形、密封的SPDT和DPDT输出,使其广泛应用于供水及污水处理、泵及造纸、食品及饮料、钢铁厂、铝厂、石油化工和医药等。
参数特点
S.P.D.T(单刀双掷):由一个常开、一个常闭触点和一个公共端构成。
D.P.D.T(双刀双掷):由一个对称的左、右公共端,两组常开、常闭端子构成。
上限一接点(常开):压力上升到设定值时,接点动作,回路导通。
下限一接点(常闭):压力下降到设定值时,接点动作,回路导通。
精度:表示设备*程度的值,包括线性度、公差、迟滞、重复性等
zui大压力(Max.P):压力范围的zui大值。
满量程(F.S):压力范围zui大值和zui小值的差值。
接断差(死区):是指开关设定动作值和复位值的差值,例如当设定、值为1MPa,实际复位值为0.9MPa时,接断差为0.1MPa。
工作温度:是指仪器的内部机构、敏感元件等工作时不会发生持续变形的温度范围。一般压力开关推荐工作温度范围为-5~400C,若介质温度过高时,可考虑加附件虹吸管(灌状),达到降温的目的。
产品特点
危险位置:可选ATEX或GOST
本质安全符合性
密封快速开关:SPDT或DPDT输出
焊接不锈钢膜片
可选传感器材料:腐蚀性介质
超低压范围
抛光不锈钢冲洗
安装传感器
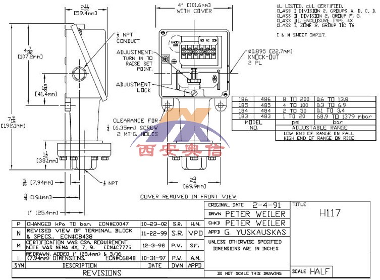
H117-183压力范围:0.1-1.4bar 回差:20.7mbar-0.3bar 焊接316L不锈钢膜片
常用型号
哈C膜片防腐开关(海水/浓水)
H117-183-XD002 H117-184-XD002 H117-185-XD002
H117-186-XD002 H117-188-XD002 H117-189-XD002
压力开关选型须知
1.压力范围 2.Max压力 3.介质 4.是否防爆
遵循原则:
1.设定值在可调范围内
2.在可调范围中间1/3处性能*。:
3.尽量不要选择在10%以下和90%以上
H117-183压力范围
| 型号 | 可调整压力范围 | 死区 | *压力 | 耐压 | 接液材质 | 压力接口 |
| H117-183 | 0.1-1.4bar | 20.7mbar-0.3bar | 34.5bar | 68.9bar | 316L焊接不锈钢 | 1/2NPTF |
| H117-184 | 0.1-3.4bar | 20.7mbar-0.7bar | 34.5bar | 68.9bar | 316L焊接不锈钢 | 1/2NPTF |
| H117-185 | 0.6-6.9bar | 34.5mbar-1.1bar | 34.5bar | 68.9bar | 316L焊接不锈钢 | 1/2NPTF |
| H117-186 | 0.6-13.8bar | 34.5mbar-1.5bar | 34.5bar | 68.9bar | 316L焊接不锈钢 | 1/2NPTF |
| H117-188 | 3.4-68.9bar | 2.1-20.7bar | 137.9bar | 482.6bar | 316L焊接不锈钢 | 1/2NPTF |
| H117-189 | 17.2-241.3bar | 3.4-34.5bar | 275.8bar | 482.6bar | 316L焊接不锈钢 | 1/2NPTF |

走进奥信
公司简介 联系我们解决方案
技术文章 行业应用我们的理念
用科技创新的理念撰写辉煌篇章,向世界展现一幅优品的设计蓝图。
专注的态度成就专业的品质,西安奥信与您携手追求时尚品。
购买的愉悦不仅仅是获得,更是其中的服务,以温馨的服务带来全新的体验。