0.7-8.6bar美国UE差压控制器H100K-546-M201美国UE差压开关 工作原理 工作原理为纯机械形变导致微动开关动作。当压力增加时,作用在不同的传感压力元器件(膜片、波纹管、活塞)产生形变,
![]() |
![]() |
![]() |
![]() |
![]() |
![]() |
![]() |
| 发布时间:2024-02-20 | ||||||
0.7-8.6bar美国UE差压控制器H100K-546-M201美国UE差压开关
工作原理
工作原理为纯机械形变导致微动开关动作。当压力增加时,作用在不同的传感压力元器件(膜片、波纹管、活塞)产生形变,将向上移动,通过栏杆弹簧等机械结构,启动上端的微动开关,使电信号输出,设定方式从功能原理上又分成连续位移型和力平衡型。
概要
100 系列压力及温度开关是性能价格比*好的系列开关,广泛应用于工业过程及OEM 用户,一体化的设计及外壳的形状结构使其更加坚固,接线更加方便。全天候系列开关有多种微动开关和多种过程接口的选择,以满足各种不同的需求。利用其自身的特性,100 系列广泛应用于热跟踪,防冻保护,过程装置(泵,压缩机),报警盘输入及火焰阻断系统。
UE 产品的优点
◆ 产品种类齐全
1/ 压力开关可调范围从-0.1 到62MPA
2/ 温度开关从-50到538摄氏度
3/ 差压开关的可调范围从-0.1 到3.45MPA
3/ 传感元件有膜片,波纹管,活塞3种形式
4/ 有特殊场所使用的开关,也有专为OEM用户设计的小型价格低廉开关
5/ 既有固定死区也有可调死区压力开关
6/ 部分机械式差压和温度开关可带现场指示
7/ 有2英寸压力接口防堵式开关也有卫生型平面膜片式开关
0.7-8.6bar美国UE差压控制器H100K-546-M201美国UE差压开关
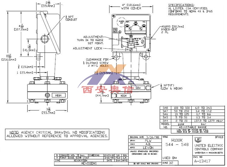
H100K-546-M201 丁晴橡胶膜片以及密封O型圈,1/8”NPTF环氧铝制涂层压力接口。
H100K-546 可调整设定范围 0.7-8.6bar *大耐压 172.4 bar
性能特点
● 满足UL list 和 cUL *以及CE 标准
● 单点输出(SPDT 或DPDT)
● 焊接不锈钢膜片
● 水柱级低压和差压开关
● 多种可选择的传感材料可满足各种腐蚀性介质的需求
● 光洁的不锈钢卫生级别的接口
● *宽的死区可调可满足泵类需求
技术参数
存储温度 -65 to 160℉(-54—71℃)
环境温度 -40 to 160℉(-40 to 71℃);520-525、540-548、700-706、15731-15736:0 to 160℉(-18 to 71℃);环境温度每变化50℉(28℃),设定点典型漂移值小于全量程的1%
设定点重复性 温度开关:为可调范围的±1%;
压力开关:15623,15731-15737,171-174,218,270-376,520-535,540-543,
700-706,560-564 型号为可调范围的±1%;190-194,183-189,483-494,544-548,
565-567,610-680,15884 型号为可调范围的±1.5%。
所有压力开关都有内部设定点锁定装置。
抗冲击 经10 毫秒、15G 冲击实验后,可重现设定点
抗振动 经2.5G、5—500Hz 振动实验后,可重现设定点
外壳 铸铝合金压铸壳体;环氧树脂涂层;带密封垫的不锈钢抗干扰刻度盖卡紧螺丝。
外壳等级 符合NEMA 4X 要求。
开关输出 一个单刀双掷(SPDT)快速动作开关;可接成“常开型”或“常闭型”
触点电气额定值 15A,125/250/480VAC;H100-15623,15731-15737,15884,20A,125/250/480VAC;
B100-13546 和E100-13545:22A/480VAC。24-30VDC,2A 电阻,1A 电感。125VDC,
0.5A 电阻,.03A 电感。
重量 2—7 磅;(因型号而异)
电器接口 1/2"NPTF 接口;2 个7/8"直径的敲出孔
压力接口 15623,218,270-376,610-680,701-706,15731-15884 型:1/4”NPTF;171-194,
483-494,520-535,15737 型:1/2"NPTF;540-548 型:1/8"NPTF;560-564 型:2"
卫生等级连接;565-567:1.5"卫生等级连接。
温度组件 温包及毛细管:6 英尺,304 不锈钢材质;E100-13545 10 英尺304 不锈钢.
直插式:镀镍黄铜(标准长度);B100-13546 不锈钢;可选316L 不锈钢材质。
填充 1BS/BC 型:填充溶剂;2-8 型
温度死区 F 型:典型值为1%;
B、C、E 型:在实验室条件下,典型值为设定点范围的2%
热追踪及低温保护 自动调温器是特地为热追踪和低温防护等应用而设计的,有B100 和E100 型的开关可用于周围环境追踪。
美国UE H100K-54*系列产品型号及具体参数对应表:
| 型号 | 可调整压力范围 | 死区 | 工作压力 | 耐压 | 接液材质 | 压力接口 |
| H100K-540 | 0.5-17.4 mbar | 0.1-1.5 mbar | -1-13.8bar | 27.6bar | 丁睛橡胶膜片及O型圈 | 1/8NPTF |
| H100K-541 | 2.5-49.8 mbar | 0.2-2.5 mbar | -1-13.8bar | 27.6bar | 丁睛橡胶膜片及O型圈 | 1/8NPTF |
| H100K-542 | 12.4-124.5 mbar | 0.5-6.2 mbar | -1-13.8bar | 27.6bar | 丁睛橡胶膜片及O型圈 | 1/8NPTF |
| H100K-543 | 24.9-497.8 mbar | 1.2-19.9 mbar | -1-13.8bar | 27.6bar | 丁睛橡胶膜片及O型圈 | 1/8NPTF |
| H100K-544 | 0.1-1.4 bar | 6.9-89.6 mbar | -1-82.7bar | 172.4bar | 丁睛橡胶膜片及O型圈 | 1/8NPTF |
| H100K-545 | 0.3-3.4 bar | 13.8mbar-0.1 bar | -1-82.7bar | 172.4bar | 丁睛橡胶膜片及O型圈 | 1/8NPTF |
| H100K-546 | 0.7-8.6 bar | 27.6mbar-0.3bar | -1-82.7bar | 172.4bar | 丁睛橡胶膜片及O型圈 | 1/8NPTF |
| H100K-547 | 3.4-17.2 bar | 0.1-0.7 bar | -1-82.7bar | 172.4bar | 丁睛橡胶膜片及O型圈 | 1/8NPTF |
| H100K-548 | 6.9-34.5 bar | 0.1-1.0 bar | -1-82.7bar | 172.4bar | 丁睛橡胶膜片及O型圈 | 1/8NPTF |

走进奥信
公司简介 联系我们解决方案
技术文章 行业应用我们的理念
用科技创新的理念撰写辉煌篇章,向世界展现一幅优品的设计蓝图。
专注的态度成就专业的品质,西安奥信与您携手追求时尚品。
购买的愉悦不仅仅是获得,更是其中的服务,以温馨的服务带来全新的体验。