压力控制器 H100K-543-M540氟橡胶50KPa差压报警 美国UE差压开关
![]() |
![]() |
![]() |
![]() |
![]() |
![]() |
![]() |
| 发布时间:2022-08-31 | ||||||
H100K-543-M540氟橡胶50KPa差压报警 美国UE差压开关
简介
美国UE成立于1931年,是一家总部位于马萨褚塞州的私人,目前已经成为生产经久耐用的、质量可靠的压力、温度、流量开关、控制器、传感器的&性的#,现在已经成为工业过程压力控制技术的*者。美国UE提供的产品从一个简单的零件到根据客户的特殊要求进行定制设计的控制产品,为在各种工业领域下对设备、工艺、人员提供专业的保护,大部分产品为顾客提供设备报警或关断功能,也通过精密传感器向控制系统提供准确的数据。
创新的设计,*的生产技术和可靠的质量为UE产品赢得了值得信赖的声誉。
概要
100 系列压力及温度开关是性能价格比*好的系列开关,广泛应用于工业过程及 OEM 用户,一体化的设计及外壳的形状结构使其更加坚固,接线更加方便。全天候系列开关有多种微动开关和多种过程接口的选择,以满足各种不同的需求。 利用其自身的特性,100 系列广泛应用于热跟踪,防冻保护,过程装置(泵,压缩机),报警盘输入及火焰阻断系统。
特征
·一个SPDT输出
·耐用型压力、真空、压差和温度开关
·与介质相容的种类广泛的压力传感元件
·环氧树脂外壳,设计满足 NEMA 4 X/IP 65的要求
·热跟踪和低温保护温度模式
有专为泵类设计的死区可调开关
UE 产品的优点
◆ 产品种类齐全
1/ 压力开关可调范围从-0.1 到62MPA
2/ 温度开关从-50到538摄氏度
3/ 差压开关的可调范围从-0.1 到3.45MPA
3/ 传感元件有膜片,波纹管,活塞3种形式
4/ 有特殊场所使用的开关,也有专为OEM用户设计的小型价格低廉开关
5/ 既有固定死区也有可调死区压力开关
6/ 部分机械式差压和温度开关可带现场指示
7/ 有2英寸压力接口防堵式开关也有卫生型平面膜片式开关
美国UE 100系列差压开关的调试方法:
1. 将万用表接到输出导线上;
2. 旋下控制器顶上的螺钉;
3. 将正负压差加至0.15MPa,此值可从标准压力计中读出;
4. 松开紧定螺钉;
5. 用一字扳手,顺时针旋动设定值调节螺内六角槽,使设定值有小变大,直至开关触点在0.15MPa处切换;
6. 调节校验台压力在0.6MPa上下来回变化,检验压力下降时是否是0.15Mpa,此值即为要设定的下切换值。其对应的上切换值在0.16-0.17MPa之间;
7. 旋紧紧定螺钉。
8. 调试完毕。
H100K-543-M540氟橡胶50KPa差压报警 美国UE差压开关
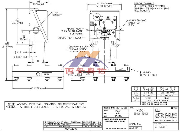
H100K-543-M540 可调整设定范围 0.5-17.4 mbar *大耐压 27.6 bar 氟橡胶膜片以及密封O型圈,1/8”NPTF环氧铝制涂层压力接口。 选型M540:viton氟橡胶膜片
性能特点
● 满足UL list 和 cUL *以及CE 标准
● 单点输出(SPDT 或DPDT)
● 焊接不锈钢膜片
● 水柱级低压和差压开关
● 多种可选择的传感材料可满足各种腐蚀性介质的需求
● 光洁的不锈钢卫生级别的接口
● *宽的死区可调可满足泵类需求
美国UE H100K-54*系列产品型号及具体参数对应表:
| 型号 | 可调整压力范围 | 死区 | 工作压力 | 耐压 | 接液材质 | 压力接口 |
| H100K-540 | 0.5-17.4 mbar | 0.1-1.5 mbar | -1-13.8bar | 27.6bar | 丁睛橡胶膜片及O型圈 | 1/8NPTF |
| H100K-541 | 2.5-49.8 mbar | 0.2-2.5 mbar | -1-13.8bar | 27.6bar | 丁睛橡胶膜片及O型圈 | 1/8NPTF |
| H100K-542 | 12.4-124.5 mbar | 0.5-6.2 mbar | -1-13.8bar | 27.6bar | 丁睛橡胶膜片及O型圈 | 1/8NPTF |
| H100K-543 | 24.9-497.8 mbar | 1.2-19.9 mbar | -1-13.8bar | 27.6bar | 丁睛橡胶膜片及O型圈 | 1/8NPTF |
| H100K-544 | 0.1-1.4 bar | 6.9-89.6 mbar | -1-82.7bar | 172.4bar | 丁睛橡胶膜片及O型圈 | 1/8NPTF |
| H100K-545 | 0.3-3.4 bar | 13.8mbar-0.1 bar | -1-82.7bar | 172.4bar | 丁睛橡胶膜片及O型圈 | 1/8NPTF |
| H100K-546 | 0.7-8.6 bar | 27.6mbar-0.3bar | -1-82.7bar | 172.4bar | 丁睛橡胶膜片及O型圈 | 1/8NPTF |
| H100K-547 | 3.4-17.2 bar | 0.1-0.7 bar | -1-82.7bar | 172.4bar | 丁睛橡胶膜片及O型圈 | 1/8NPTF |
| H100K-548 | 6.9-34.5 bar | 0.1-1.0 bar | -1-82.7bar | 172.4bar | 丁睛橡胶膜片及O型圈 | 1/8NPTF |

走进奥信
公司简介 联系我们解决方案
技术文章 行业应用我们的理念
用科技创新的理念撰写辉煌篇章,向世界展现一幅优品的设计蓝图。
专注的态度成就专业的品质,西安奥信与您携手追求时尚品。
购买的愉悦不仅仅是获得,更是其中的服务,以温馨的服务带来全新的体验。