029-88651096

J21K-16021美国UE差压开关 0.07-1.0bar

J21K-16021差压开关,美国UE开关总

在线客服 在线客服 在线客服 在线客服 在线客服 在线客服 在线客服
发布时间:2021-07-29  

 

 

  • J21K-16021美国UE差压开关 0.07-1.0bar

概述
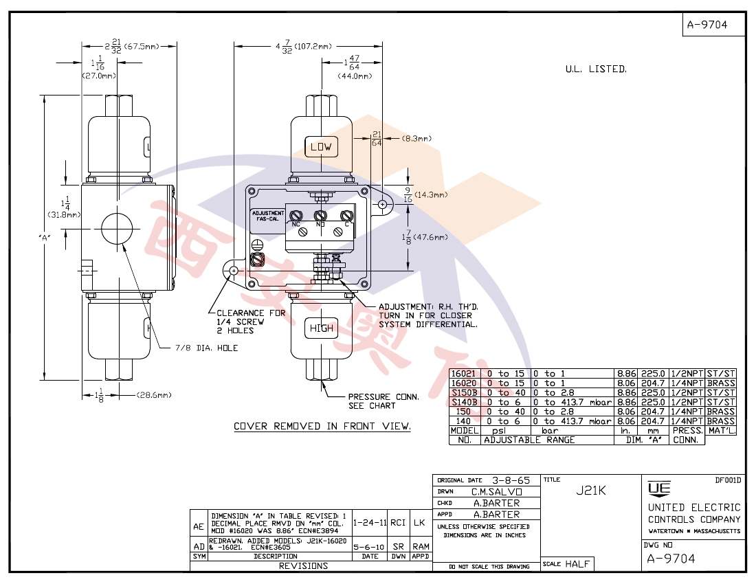
J21K差压开关监控两个系统之间的压力或真空吸尘器和感官过度流量偏差,或验证,过滤器被堵塞。J21K的 - 环氧涂层外壳,坚固耐用的设计密封的金属波纹管 - 适合于苛刻的应用程序。广泛应用于制冷(冷水机组)和压缩机应用程序的,的,可用于过滤器的状态监测和证明J21K流程。
J21K系列: 一个单刀双掷输出.内部可调.无参考刻度
J21K-S127B  J21K-S140B  J21K-S150B  J21K-357
J21K-127  J21K-140  J21K-150  J21K-232  J21K-254
J21K-16021  J21K-16020

应用说明
储存温度:-65至160°F(-54至71°C)
环境温度限值:-40至160°F(-40至71°C);对于50°F(28°C)环境温度变化,设定值通常移动小于范围的1%。
设定点重复性:满刻度范围的±1%
冲击:持续15 g,10毫秒后重复设定值
振动:设定值在2.5g,5-500Hz后重复
外壳:压铸铝,环氧粉末涂层,衬垫
外壳分类:设计用于满足带M900选件的4X型外壳要求(水密导管配件)
开关输出:一个单刀双掷速动开关;开关可以“常开”或“常闭”接线。
额定电流:15 A 125/250/480 VAC电阻。电气开关的直流能力有限。有关更多信息,请咨询工厂。
重量:约2磅(0.90千克)
电气连接:7/8“直径导管孔
压力连接:127-150、232-254、357型:1/4“NPT(内螺纹);S127B、S150B型:1/2”NPT(内螺纹)

技术参数
Model Adjustable Set Deadband Working Pressure
Point Range
                  bar                 bar                    bar
Welded 316L stainless steel bellows with 1/2” NPT (female) pressure connections
S127B   -1 to 0      135 to 203 mbar     -1 to 0
S140B    0 to 04    69 to 276 mbar      -1 to 21
S150B    0 to 28    207 to 483 mbar    -1 to 207
16021     007 to 1  69 to 414 mbar      -1 to 86
316L welded stainless steel bellows with 1/4" NPT (female) pressure connections
357         0 to 48    01 to 03                 -1 to 241
Brass bellows with 1/4” NPT (female) pressure connections
127        -1 to 0       135 to 203 mbar    -1 to 0
140         0 to 04     69 to 276 mba      -1 to 21
150         0 to 28     207 to 483 mbar   -1 to 124
16020     007 to 1   69 to 414 mbar     -1 to 86
Phosphor bronze bellows with 1/4" NPT (female) pressure connections
232         0 to 17     414 to 689 mbar   -1 to 76
254         0 to 62     01 to 03                -1 to 138

实物图

Copyright © 2006 AOSOON All rights reserved 手机(同微信):18966939314 18991102478 13309278150 18966942594
在线客服