产品描述
NHR-M38 将工业现场的直流电压、电流或远传电阻信号转换成所需信号,经隔离传输到控制室,有效提高工业生产过程自动控制系统的抗干扰能力。
产品特点
直流电压、电流、远传电阻输入
模拟量输出
输入/输出/电源三隔离
传输精度±0.1%
输出快速响应输入,响应时间≤10ms
模块化设计,体积小,功耗低
各端子可带电插拔,便于安装、维护
标准的35mmDIN导轨卡式安装
产品系列号
NHR-M31系列智能隔离器
NHR-M32系列智能温度变送器
NHR-M33系列智能配电器
NHR-M34系列智能频率转换器
NHR-M35系列开关量转换器
NHR-M36系列智能数学运算器
NHR-M37系列隔离通讯转换器
NHR-M38系列智能高速隔离器
NHR-M39系列智能高压隔离器
技术参数
| 输入 | |
| 输入信号 | 直流电压、电流、远传电阻 |
| 输入阻抗 | 电流阻抗≤100Ω,电压阻抗≥250KΩ |
| 输出 | |
| 输出信号 | 模拟量输出 |
| 输出负载 | 电流型RL≤550Ω,电压型RL≥6KΩ(需要更高负载能力时,请要订货时说明) |
| 电源 | |
| 供电电压 | AC100~265V(50/60HZ) ;DC20~29V |
| 功耗 | ≤2W |
| 其它参数 | |
| 隔离强度 | 2500V,a.c;1min(输入/输出/电源之间) |
| 工作温度 | -10~50℃ |
| 相对湿度 | 10%-90%RH |
| 温度漂移 | 50ppm/℃ |
| 安装尺寸 | 18.5*109*116.5mm (宽*高*深) |
| 安装方式 | 35mmDIN导轨安装 |
| 转换精度 | 0.1%FS±1字 |
| 响应时间 | ≤10ms |
| 重量 | 约140克 |

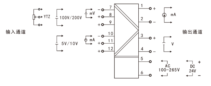
仪表接线图

走进奥信
公司简介 联系我们解决方案
技术文章 行业应用我们的理念
用科技创新的理念撰写辉煌篇章,向世界展现一幅优品的设计蓝图。
专注的态度成就专业的品质,西安奥信与您携手追求时尚品。
购买的愉悦不仅仅是获得,更是其中的服务,以温馨的服务带来全新的体验。