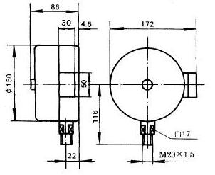
YXC-150电接点压力表广泛应用于石油、化工、冶金、电站等工业部门或机电设备配套中测量无爆炸危险的各种流体介质的压力。通常,仪表经与相应的电气器件如继电器及接触器等配套使
![]() |
![]() |
![]() |
![]() |
![]() |
![]() |
![]() |
| 发布时间:2021-06-02 | ||||||
| 型号 | YXC-100ZQ | YXC-150ZQ | YXC-100 | YXC-150 | YXC-100TQ | YXC-150TQ |
| 测量范围MPa | -0.1-0.15;-0.1-0.3;-0.1-0.5;-0.1-0.9;-0.1-1.5;-0.1-2.40-0.25; 0-0.4; 0-0.6; 0-1.0; 0-1.6; 0-2.5; 0-4.0; 0-6.0; 0-10; 0-16; 0-25; 0-40; 0-60;100 | |||||
| *度% | ± 1.6 | |||||
| 接点电参数 | 工作电压 | 380VAC;220VDC | ||||
| *大工作电流 | 1A | |||||
| 持续电流 | 0.6A | |||||
| *大功率(无感负载) | 20VA | |||||
| 连接器 | X14K4P | 防水接线盒 | X14K4P | 防水接线盒 | X14K4P | |
| 结构形式 | 轴向带前边 | 径向无边 | 径向带前边 |

走进奥信
公司简介 联系我们解决方案
技术文章 行业应用我们的理念
用科技创新的理念撰写辉煌篇章,向世界展现一幅优品的设计蓝图。
专注的态度成就专业的品质,西安奥信与您携手追求时尚品。
购买的愉悦不仅仅是获得,更是其中的服务,以温馨的服务带来全新的体验。