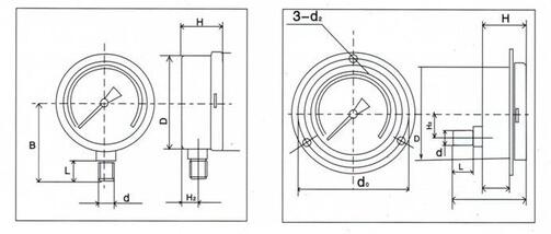
YTN-60ZT轴向耐震压力真空表除一般压力表的性能外还具有良好的耐震性能,特别适用于机械震动和压力有波动的条件下,测量对铜合金不起腐蚀作用,且不结晶、不沉淀的气体、液体、蒸
![]() |
![]() |
![]() |
![]() |
![]() |
![]() |
![]() |
| 发布时间:2021-05-28 | ||||||
| 型号 | 结构形式 | *度% | 螺纹尺寸 |
| YTN-60 | 径向无边 | ±2.5 |
M14*1.5 (也可特殊定制) |
| YTN-60T | 径向带后边 | ||
| YTN-160Z | 轴向无边 | ||
| YTN-60ZT | 轴向带前边 |

走进奥信
公司简介 联系我们解决方案
技术文章 行业应用我们的理念
用科技创新的理念撰写辉煌篇章,向世界展现一幅优品的设计蓝图。
专注的态度成就专业的品质,西安奥信与您携手追求时尚品。
购买的愉悦不仅仅是获得,更是其中的服务,以温馨的服务带来全新的体验。