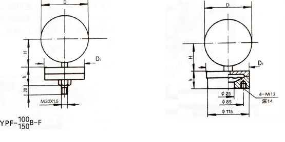
YPF-100B-F法兰不锈钢耐腐膜片压力表的导压系统和外壳等均为不锈钢,具有较强的耐腐蚀性能。主要用于化学、石油、纺织工业对气体、液体微小压力的测量,尤其适用于腐蚀性强、粘稠
![]() |
![]() |
![]() |
![]() |
![]() |
![]() |
![]() |
| 发布时间:2021-05-20 | ||||||
|
|
YPF-100A
|
YPF-100B
|
YPF-100B
|
YPF-150A
|
YPF-150B
|
YPF-150B-F
|
|
D
|
φ100
|
φ110
|
φ110
|
φ150
|
φ160
|
φ160
|
|
H
|
66
|
66
|
66
|
91
|
91
|
91
|
|
h
|
32
|
32
|
36
|
32
|
32
|
36
|

走进奥信
公司简介 联系我们解决方案
技术文章 行业应用我们的理念
用科技创新的理念撰写辉煌篇章,向世界展现一幅优品的设计蓝图。
专注的态度成就专业的品质,西安奥信与您携手追求时尚品。
购买的愉悦不仅仅是获得,更是其中的服务,以温馨的服务带来全新的体验。