CYW-100B 及 CYW-150B 不锈钢差压表适用于化工、化纤、冶金、电力、核电等工业 部门的工艺流程中测量各种液(气)体介质的差压、流量等参数。仪表结构全部采用不锈钢制成,其中的测量系
![]() |
![]() |
![]() |
![]() |
![]() |
![]() |
![]() |
| 发布时间:2021-05-20 | ||||||
| 差压的测量范围 | 公称工作压力 | *度等级 | 接头螺纹尺寸 | ||
|
0~10 0~16 0~25 0~40 0~60 0~100 |
KPa |
60 100 160 250 400 600 |
KPa | 2.5 |
M20×1.5 NPT 1/2 |
|
0~0.16 0~0.25 0~0.40 0~0.60 0~1 0~1.6 0~2.5 |
MPa |
1 1.6 2.5 4 6 10 10 |
MPa | ||
| 零件名称 | 材质牌号(代号) |
| 接头、导管 | OCr17Ni12Mo2(316) |
| 波纹管 | OOCr17Ni14Mo2(316L) |
| 表壳、表盖、表环 | OCr18Ni9(304) |
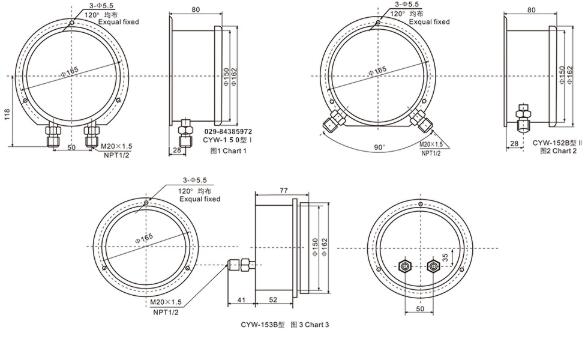
◇ 外型及安装尺寸:见图1、图2、图3
◇ 使用环境温度:-40~70℃
◇ 抗工作环境振动:V.H.3级
◇ 重量:约1.5kg
◇ 仪表外壳防护等级:IP54
◇ 仪表技术性能符合企业标准Q/YXBM831-1997《不锈钢差压表》


走进奥信
公司简介 联系我们解决方案
技术文章 行业应用我们的理念
用科技创新的理念撰写辉煌篇章,向世界展现一幅优品的设计蓝图。
专注的态度成就专业的品质,西安奥信与您携手追求时尚品。
购买的愉悦不仅仅是获得,更是其中的服务,以温馨的服务带来全新的体验。