结构原理: 仪表由导压系统(包括接头、弹簧管等)、传动机构、指示装置和外壳组成。当被测介质作用于弹簧管时,其管端产生相应的弹性变形--位移,经传动结构放大后,由指示装置
![]() |
![]() |
![]() |
![]() |
![]() |
![]() |
![]() |
| 发布时间:2021-07-07 | ||||||
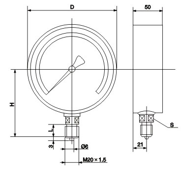
| 型号 | D | H | L | S |
| YA-100 | 100 | 87 | 20 | 17 |
| YA-150 | 150 | 117 |
| 型号 | 标度范围(Mpa) |
|
YA-100 YA-150 |
0~0.1;0~0.16;0~0.25;0~0.4;0~0.6;0~1;0~1.6;0~2.5;0~4;0~6;0~10;0~16;0~25;0~40;0~60; -0.1~0;-0.1~0.06;-0.1~0.15;-0.1~0.3;-0.1~0.5;-0.1~0.9;-0.1~1.5;-0.1~2.4 |
【YA系列氨压力表】外形尺寸:

走进奥信
公司简介 联系我们解决方案
技术文章 行业应用我们的理念
用科技创新的理念撰写辉煌篇章,向世界展现一幅优品的设计蓝图。
专注的态度成就专业的品质,西安奥信与您携手追求时尚品。
购买的愉悦不仅仅是获得,更是其中的服务,以温馨的服务带来全新的体验。