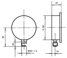
YE-100B,YE-150B 膜盒压力表适用于测量空气和对316L金属不起腐蚀作用的气体的微压和负压,一般用于空气管道,气体管道,燃烧装置,环境空气中有一定腐蚀场地以及其他类似设备上 结构
![]() |
![]() |
![]() |
![]() |
![]() |
![]() |
![]() |
| 发布时间:2021-06-28 | ||||||
|
另件名称 |
材料牌号 |
|
接头 |
1Cr18Ni9 |
|
膜盒 |
1Cr18Ni9 |
|
表壳、表盖、表环 |
1Cr18Ni9 |

走进奥信
公司简介 联系我们解决方案
技术文章 行业应用我们的理念
用科技创新的理念撰写辉煌篇章,向世界展现一幅优品的设计蓝图。
专注的态度成就专业的品质,西安奥信与您携手追求时尚品。
购买的愉悦不仅仅是获得,更是其中的服务,以温馨的服务带来全新的体验。