电接点压力表适用于测量对铜合金无腐蚀、无爆炸危险、非结晶的各种液体、气体等介质的压力。仪表经与相应的电气器件配套使用,可达到对被测压力系统实现预先设定的zd或zui小压力
![]() |
![]() |
![]() |
![]() |
![]() |
![]() |
![]() |
| 发布时间:2021-06-28 | ||||||

|
触头功率
|
zui高工作电压
|
zd工作电流
|
控制形式
|
|
30VA阻性负载
|
220VDC或380VAC
|
1A
|
上下限、双上限、双下限
|
|
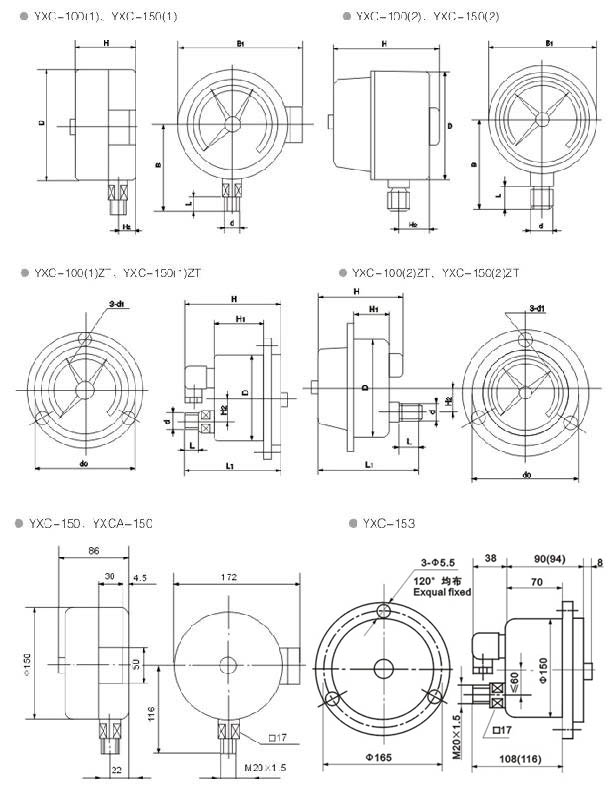
型号
|
D
|
H
|
H1
|
H2
|
d0
|
d
|
d1
|
B
|
B1
|
L
|
L1
|
|
YXC-60
|
Φ60
|
46
|
a
|
13
|
a
|
M14x1.5
|
a
|
56
|
72
|
14
|
a
|
|
YXC-100
|
Φ100
|
95
|
a
|
17
|
a
|
M20x1.5
|
a
|
87
|
121
|
20
|
a
|
|
YXC-100ZT
|
96
|
33
|
30
|
118
|
5.5
|
a
|
a
|
115
|
|||
|
YXC-150
|
Φ150
|
78
|
40
|
17
|
165
|
M20x1.5
|
113
|
150
|
20
|
a
|
|
|
YXC-150ZT
|
78
|
30
|
100
|

走进奥信
公司简介 联系我们解决方案
技术文章 行业应用我们的理念
用科技创新的理念撰写辉煌篇章,向世界展现一幅优品的设计蓝图。
专注的态度成就专业的品质,西安奥信与您携手追求时尚品。
购买的愉悦不仅仅是获得,更是其中的服务,以温馨的服务带来全新的体验。