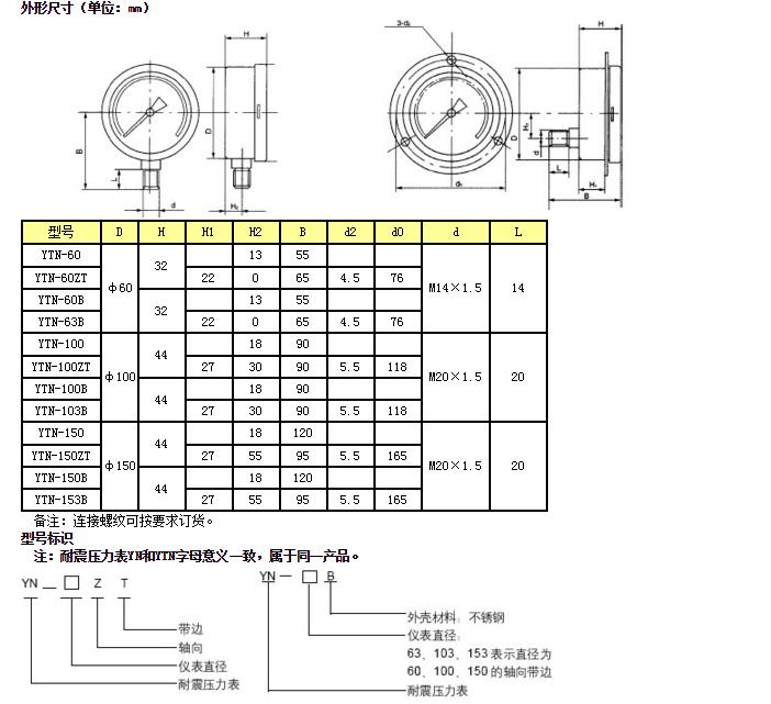
YTN-60Z 抗震充液压力表主要用于冶金、电力、石油、化工、轻工、机械等部门的压力检测。压力表依靠内部冲灌阻尼油和配置缓冲装置等措施。
![]() |
![]() |
![]() |
![]() |
![]() |
![]() |
![]() |
| 发布时间:2021-07-01 | ||||||
YTN-60Z 抗震充液压力表主要用于冶金、电力、石油、化工、轻工、机械等部门的压力检测。压力表依靠内部冲灌阻尼油和配置缓冲装置等措施。具有良好的耐震性能。适用于被测质的压力有强烈脉;中变化或压力;中击和在生产工艺中经常突出卸荷的场合,以及画卷竟震动较大的场所。仪表能测气体、液体脉动压力的平均值,以克服介质强烈脉冲及环境震动对仪表带来的损害,确保读数的准确性。不锈钢耐震压力表的外壳用不锈钢材料制成,可在环境中使用。有副食性、振动较大的恶劣。
| 型号 | 结构形式 | 精que度% | 测量范围MPa |
| YTN-60 | 径向无边 | ±2.5% |
-0.1-0,-0.1-0.06,-0.1-0.15,-0.1-0.3,-0.1-0.5,-0.1-0.9,,-0.1~1.5; -0.1~2.4;0~0.16;0~0.25,0~0.4;0~0.6;0~1.0;0~1.6,0~2.5,0~4.0;0~6.0; 0~10;0~16 ;0~25,0~40;0~60;0~100MPa |
| YTN-60T | 径向带后边 | ||
| YTN-60Z | 轴向无边 | ||
| YTN-60ZT | 轴向带前边 |

走进奥信
公司简介 联系我们解决方案
技术文章 行业应用我们的理念
用科技创新的理念撰写辉煌篇章,向世界展现一幅优品的设计蓝图。
专注的态度成就专业的品质,西安奥信与您携手追求时尚品。
购买的愉悦不仅仅是获得,更是其中的服务,以温馨的服务带来全新的体验。