YTF-100T不锈钢压力表简介: Y-100T不锈钢压力表的整体结构设计合理、工艺精致,具有较高的测量精que度和持久的稳定性,因此不仅可提供出口,尤为国内用户对引进国外先进技术装备中
![]() |
![]() |
![]() |
![]() |
![]() |
![]() |
![]() |
| 发布时间:2021-06-30 | ||||||
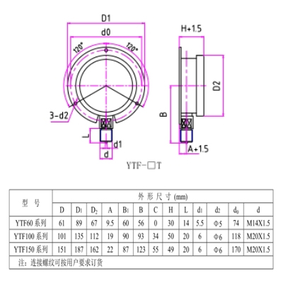
| 型号 | YTF-100 | YTF-100T | YTF-100Z | YTF-100ZT |
| 安装方式 | 径向 | 径向带后边 | 轴向 | 轴向带前边 |
| 表盘直径(mm) | 100mm | |||
| 测量范围 (MPa) |
0.1,0.16, 0.25, 0.4, 0.6, 1, 1.6, 2.5, 4, 6, 10, 16, 25, 40, 60
-0.10~0, -0.1~-0.06, -0.1~0.15, -0.1~0.3, -0.1~0.5, -0.1~0.9, -0.1~1.5, -0.1~2.4
|
|||
| 精度等级 | 1.6级 | |||
| 连接螺纹 | M20×1.5(注:连接螺纹可按要求订货.) | |||

走进奥信
公司简介 联系我们解决方案
技术文章 行业应用我们的理念
用科技创新的理念撰写辉煌篇章,向世界展现一幅优品的设计蓝图。
专注的态度成就专业的品质,西安奥信与您携手追求时尚品。
购买的愉悦不仅仅是获得,更是其中的服务,以温馨的服务带来全新的体验。