描述
TIF系列现场总线温度变送器包括一个坚固耐用的现场外壳、T32型温度变送器和一个DIH型显示器,适用于过程工业中的一般使用。
TIFxx系列温度变送器具有高准确度、电隔离功能和*的抗电磁干扰 (EMI) 性能,并且支持HART®协议,因此可通过多种开源配置工具进行配置。
我们可根据用户需求提供不同类型的传感器,如符合DIN EN 60751、JIS C1606、DIN 43760、IEC 60584或DIN 43710标准的传感器。另外,用户也可通过输入数值对传感器的特性进行自定义(用户定义线性化)。
在对传感器进行冗余配置(双传感器)后,一旦某个传感器出现故障,变送器会自动切换到能正常工作的另一个传感器。
此外,通过冗余配置还可以激活传感器漂移检测功能。当传感器1和传感器2之间的温度偏差超出用户设定值时,变送器会发出一个故障信号。
该现场总线变送器还有诸如传感器线电阻检测、符合NAMUR NE89标准的传感器故障检测以及测量范围监测等众多*管理功能。而且,该系列变送器可以定期进行综合的自我监测。
通过显示器可以显示量程报警以及MIN(*小)和MAX(*大)值。
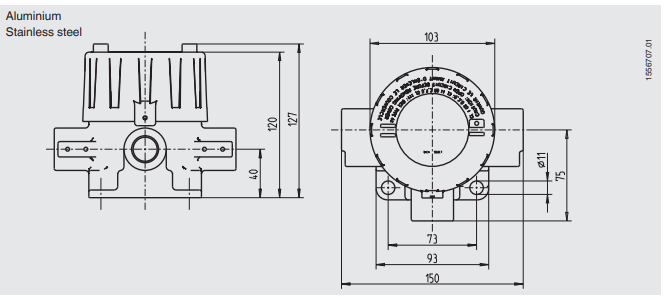
我们可为该现场总线温度变送器提供多种现场外壳,如塑料、不锈钢和铝等材质。此外,该系列温度变送器的安装方式多种多样,既可以直接安装到墙壁上,也可使用管道安装套件装配到直径1... 2"的管道上。
现场变送器交货时均采用基本配置,我们也可按照客户要求将变送器配置为指定参数。
功能特性
可现场设置单位和测量范围(*TIF52型)
多种危险区域*
可通过外部软件实现以下设置:
- 双传感器,可实现冗余测量
- 可编程设置用户指定的特性曲线


走进奥信
公司简介 联系我们解决方案
技术文章 行业应用我们的理念
用科技创新的理念撰写辉煌篇章,向世界展现一幅优品的设计蓝图。
专注的态度成就专业的品质,西安奥信与您携手追求时尚品。
购买的愉悦不仅仅是获得,更是其中的服务,以温馨的服务带来全新的体验。