WIKA温度计 PT100热电阻TR10-C螺纹式热电阻温度传感器
![]() |
![]() |
![]() |
![]() |
![]() |
![]() |
![]() |
| 发布时间:2021-08-02 | ||||||
WIKA温度计 PT100热电阻TR10-C螺纹式热电阻温度传感器
热电阻传感器的应用
机械制造、设备以及罐体制造
能源和电厂技术
化工
食品和饮料行业
卫生、供热和空调系统
热电阻传感器的功能特性
应用范围: -196 ... +600 °C
带集成一体式保护套管
带有弹簧的测量探杆(可替换)
拥有不同类型的防爆*(详见数据资料第二页)
热电阻传感器的描述
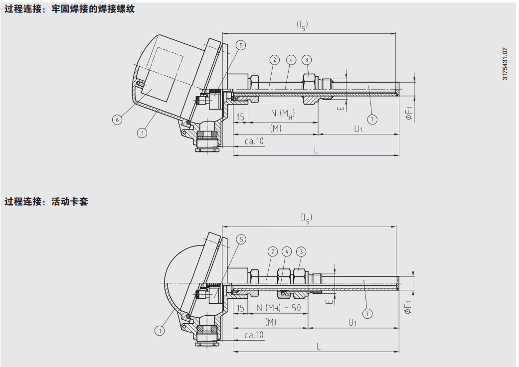
TR10-C型热电阻传感器可以通过螺纹直接与过程连接,主要应用于容器和管道连接。
TR10-C型热电阻传感器适用于中等机械何在和常规化学条件下的液体及气体介质。不锈钢保护管被完全焊接至或拧入连接头。不必将整个温度计从过程介质中拿出来就可以实现测量探杆的替换。这使得设备在操作和运行过程中,或在维修时,检测和更换成为可能。选择标准长度的测量探杆交货期短,更有利于客户作零部件的购买和库存。
插深、过程连接、护套设计、连接头、传感器的类型和数量、精度、连接形式等都可以根据各自应用进行选择。
TR10-C拥有各种不同的防爆*。
另外,该热电阻传感器的接线盒内部可以装配上威卡(WIKA)模拟或数字温度变送器。
WIKA温度计 PT100热电阻TR10-C螺纹式热电阻温度传感器
具体举例说明
带有预制螺纹保护管的TR10-C RTD组件
符合数据表的规范:TE 60.03
2xPt100,三线制
A类,IEC 60751
所选等级的温度范围:-100…+450°C
头部/外壳:BSZ,铝,球形,翻转顶部
电缆入口:电缆密封套塑料(电缆Ø6…12 mm)
螺纹尺寸电缆入口:M20 x 1.5
变送器:T15,数字变送器,4…20 mA,可编程
与颈管的连接:M24 x 1.5
保护管:直螺纹,形式2G DIN 43772
保护管直径:12x2.5毫米
工艺连接:G 1/2 B
保护管材质:不锈钢1.4571
插入长度[U1]:250毫米
颈部长度[MH/N](毫米):130毫米
直径测量插件:6毫米
护套材料测量插件:不锈钢316L
密封:无
变送器安装位置:测量插入件
保护管总长度(备用)[L]:395 mm
测量插入件长度(备用)[l5](mm):405 mm
电阻传感器T15的数字温度变送器
符合数据表的规范:TE 15.01
输出信号:4。。。20 mA,双线设计
设计:头部
防爆:无
允许的环境温度变送器:标准-40…85°C
配置:基本配置(Pt100,3线,0。。。150°C,信号向下标度(3.5 mA)
配置传感器:Pt100
输入配置:3线
单位:摄氏度
测量范围起始值-符号:加号(包括0)
测量范围起始值:0
测量范围结束值-符号:加号(包括0)
测量范围结束值:150
变送器错误信号:向下标度3.5 mA
WIKA温度计 PT100热电阻TR10-C螺纹式热电阻温度传感器


走进奥信
公司简介 联系我们解决方案
技术文章 行业应用我们的理念
用科技创新的理念撰写辉煌篇章,向世界展现一幅优品的设计蓝图。
专注的态度成就专业的品质,西安奥信与您携手追求时尚品。
购买的愉悦不仅仅是获得,更是其中的服务,以温馨的服务带来全新的体验。