威卡温度计 A2G-65防冻保护温控器 德国WIKA温度计
应用
用于通风空调系统空气侧温度控制,并能防止水加热线圈受到霜冻破坏
通过防霜冻恒温开关可实施下列防冻措施:
-关闭通风器
-关闭外部空气阻尼
-*打开加热线圈阀门
-开启加热线圈泵
-关闭冷却装置(压缩机)及空气加湿器
-激活可视及/或声音报警
产品特性
自动复位
开关差很小
重复性高
易于安装
包括安装附件
描述
设计
CE符合性:2004/108/EG电磁兼容性 (EMC)
产品安全性:2001/95/EC产品安全
EMC: EN 60730-1: 2002
产品安全性:EN 60730-1: 2002
设置点范围可调
-10 … +15 °C(出厂设置:5 °C)
开关差
≤ 2 ±1 °C
重复性
±0.5 °C
传感器感应距离
约60 cm
开关输出
转换电接点,*大250 V AC,*大10 A
电接点材料:Ag / Ni (90 % / 10 %),镀金 (3 μm)
允许温度
储存温度:-30 … +70 °C
环境温度:-30 … +70 °C, max. 85 % rH, non-condensing
介质温度:w + *小2 K … 70 °C
(w = 所选设置点)
防护等级
IP 65 ,符合EN 60529 / lEC 529标准
威卡温度计 A2G-65防冻保护温控器 德国WIKA温度计
防冻恒温器,A2G-65型
设定点的设定范围-10…+15°C(出厂设定:5°C)
开关差2±1°C
再现性±0.5°C
探头响应长度约60厘米
毛细管材料:铜
毛细管填充:R507
毛细管长度3米
开关输出转换触点,*大交流250 V,*大10 A
接触材料:银/镍(90%/10%)镀金3µm
自动复位
接线端子螺丝端子
*大2.5 mm2
电缆入口电缆密封套M16 x 1.5
案例材料
■ 下半部分
■ 掩护
PA GK30
ABS透明
标准配件安装夹,6个
允许温度
■ 环境温度
■ 中温
-30…70°C,*大温度为85%r。h、 ,非冷凝
W+*低温度2 K…70°C
(W=选定的设定点)
防护等级IP65
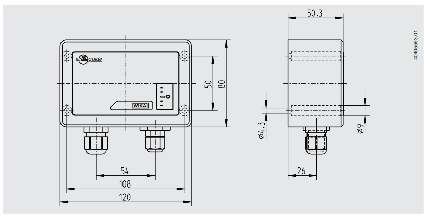
规格
40405593.01
尺寸单位:mm
可选项
■ 手动复位
■ 毛细管长度1.8或6 m
威卡温度计 A2G-65防冻保护温控器 德国WIKA温度计


走进奥信
公司简介 联系我们解决方案
技术文章 行业应用我们的理念
用科技创新的理念撰写辉煌篇章,向世界展现一幅优品的设计蓝图。
专注的态度成就专业的品质,西安奥信与您携手追求时尚品。
购买的愉悦不仅仅是获得,更是其中的服务,以温馨的服务带来全新的体验。