IFC膨胀式温度计 威卡温度计 德国WIKA
应用
机械制造
制冷工业
食品和饮料行业
采暖、通风和空调设备
功能特性
温度指示不受测量点影响
用途广泛
描述
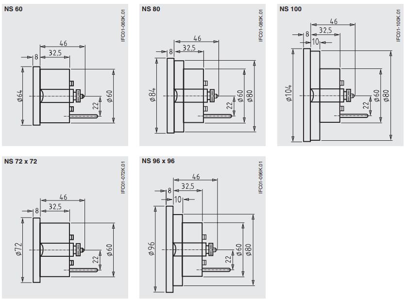
标准尺寸 (mm)
60、80、100、72x72和96x96
准确度等级
测量范围的±2%(环境温度为23°C条件下)
量程
-100°C ... +400°C
工作温度
塑料覆层的毛细管为-40°C ... +120°C
铜编织毛细管为-100°C ... +350°C
不锈钢毛细管为-100°C ... +400°C
IFC膨胀式温度计 威卡温度计 德国WIKA
标准尺寸
表圆直径
60, 80, 100, 72 x 72, 96 x 96
精度等级
在参考温度23℃的壳体测量下,测量范围为±2%
量程范围
-100 ... +400 °C
容许使用温度
表壳: -20 ... +70 °C
测量毛细管:
■ 塑料外套 -40 ... +120 °C
■ 铜部分 -100 ... +350 °C
■ 不锈钢 -100 ... +400 °C
测量长度
*大 270 ∢°
表盘
底部白色,印黑字,塑料
测量原理
波登管系统
测量毛细管
塑料外套或铜
毛细管用铜的或不锈钢 1.4571
取决于量程
测量毛细管长度
*长 5 m
测量毛细管接口
背部偏心
表壳
塑料 (ABS)
防护等级
圆壳: IP 54 符合EN 60529 / IEC 529标准
方壳: IP 40 符合EN 60529 / IEC 529标准
安装类型
带有支架的面板安装
优化选项
■ 不锈钢壳体
■ 方型壳体
■ 面部安装法兰
■ 其他接口方式(见技术资料IN 00.20)
■ 其他壳体尺寸(表圆37,40,42,52)
IFC膨胀式温度计 威卡温度计 德国WIKA


走进奥信
公司简介 联系我们解决方案
技术文章 行业应用我们的理念
用科技创新的理念撰写辉煌篇章,向世界展现一幅优品的设计蓝图。
专注的态度成就专业的品质,西安奥信与您携手追求时尚品。
购买的愉悦不仅仅是获得,更是其中的服务,以温馨的服务带来全新的体验。