73 气包式温度计 德国WIKA表盘温度计 威卡温度 应用 适用于石化、油气、能源和水处理行业的通用仪表 广泛适用于机械制造、工厂、罐体、设备制造和食品工业 无需接触介质即可测量温
![]() |
![]() |
![]() |
![]() |
![]() |
![]() |
![]() |
| 发布时间:2021-07-28 | ||||||
73 气包式温度计 德国WIKA表盘温度计 威卡温度
应用
适用于石化、油气、能源和水处理行业的通用仪表
广泛适用于机械制造、工厂、罐体、设备制造和食品工业
无需接触介质即可测量温度
可安装到仪表板、控制柜和控制面板
功能特性
刻度范围:-200 ... +700 °C
快速响应
外壳和探杆均由不锈钢制成
多种接口和外壳设计
描述
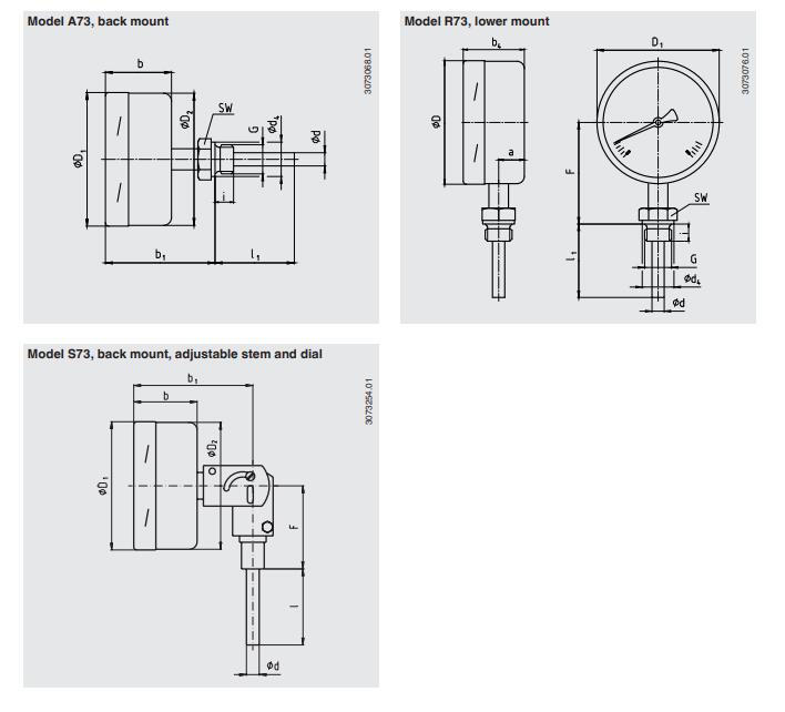
73系列的气动包式温度计是根据EN 13190标准设计研发和制造的。是专门为过程工业要求所设计的高质量的温度仪表,特别在化工、石化、油气和电力行业,全不锈钢的温度计有着成功的使用案例。
该型号温度计的探杆、过程接口和表壳均由不锈钢制,并具备多种插入长度和过程接口,能够满足所有测量要求。温度计防护等级高达IP 65,可用于零度以下室外环境中。此外,温度计还具备流体减振功能,从而适合强振动应用。73系列温度计拥有多种配置可选,可以适应各种过程连接和安装环境。
温度计的探杆和表盘均可以自由调节,方便读数。带接触球管的型号无需接触介质即可在管径极小的条件下测量温度,并且接触球管可安装在管道和容器外部。
当遇到恶劣的气候条件时,73型温度计是*好的选择。它可以在-40℃到+60℃的温度范围内使用。(还可选配POLARgauge® 版本的-50℃或-70℃)。
73 气包式温度计 德国WIKA表盘温度计 威卡温度


走进奥信
公司简介 联系我们解决方案
技术文章 行业应用我们的理念
用科技创新的理念撰写辉煌篇章,向世界展现一幅优品的设计蓝图。
专注的态度成就专业的品质,西安奥信与您携手追求时尚品。
购买的愉悦不仅仅是获得,更是其中的服务,以温馨的服务带来全新的体验。