描述
A2G-20型空气流速计可用于测量通风和空调设备应用中气体介质的流速。此外,该产品还集成了温度测量功能。
A2G-20型空气流量计能够输出流速和空气温度两种电信号(0…10V或4…20mA,直接在仪表上通过跳线进行选择),可直接连入控制系统或设备自动化系统。
此款空气流速就计可选配开关输出,用于灵活控制通风管道和空调系统中的部件。
该产品还可选配LC显示屏,显示屏上的菜单界面可帮助用户方便快捷的进行产品调试。
应用
测量新风和排气管道中空气及其他非易燃和非腐蚀性气体的流速和温度
可直接连接到控制系统或设备自动化系统
功能特性
电输出信号:0…10V或4…20mA,可直接在仪表上通过跳线进行选择
可同时提供流速和空气温度两种输出信号
带开关输出(选配)
通过法兰可以安装到圆形或矩形通风管道上
免维护
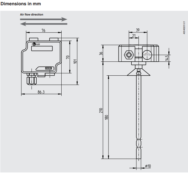
A2G-20空气流速计 参数
A2G-20 0...2m/s, 0...10 m/s, 0...20 m/s over jumper to selectable
A2G-20 air2guide - air velocity transmitter
Output signal: 4...20 mA, 0...10 V
Digital display: with display
Ingress protection: IP 54
Additional ordering information: Without
实物图


走进奥信
公司简介 联系我们解决方案
技术文章 行业应用我们的理念
用科技创新的理念撰写辉煌篇章,向世界展现一幅优品的设计蓝图。
专注的态度成就专业的品质,西安奥信与您携手追求时尚品。
购买的愉悦不仅仅是获得,更是其中的服务,以温馨的服务带来全新的体验。