描述
CE符合性:2004/108/EG电磁兼容性 (EMC)
产品安全性:2001/95/EC产品安全
EMC: EN 60730-1: 2002
产品安全性:EN 60730-1: 2002
设置点范围可调
-10 … +15 °C(出厂设置:5 °C)
开关差
≤ 2 ±1 °C
重复性
±0.5 °C
传感器感应距离
约60 cm
开关输出
转换电接点,*大250 V AC,*大10 A
电接点材料:Ag / Ni (90 % / 10 %),镀金 (3 μm)
允许温度
储存温度:-30 … +70 °C
环境温度:-30 … +70 °C, max. 85 % rH, non-condensing
介质温度:w + *小2 K … 70 °C
(w = 所选设置点)
防护等级
IP 65 ,符合EN 60529 / lEC 529标准
应用
用于通风空调系统空气侧温度控制,并能防止水加热线圈受到霜冻破坏
通过防霜冻恒温开关可实施下列防冻措施:
-关闭通风器
-关闭外部空气阻尼
-*打开加热线圈阀门
-开启加热线圈泵
-关闭冷却装置(压缩机)及空气加湿器
-激活可视及/或声音报警
产品特性
自动复位
开关差很小
重复性高
易于安装
包括安装附件
A2G-65详细参数
A2G-65 Scale range: -10...+15°C (+14°F...+59°F)
A2G-65 air2guide - Frost protection thermostat
Unit: °C
Capillary length: 3.0 m capillary
Resetting: without
Imprint: air2guide standard
Certificates: without
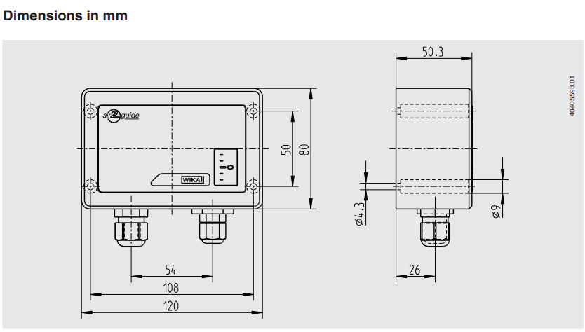
实物图


走进奥信
公司简介 联系我们解决方案
技术文章 行业应用我们的理念
用科技创新的理念撰写辉煌篇章,向世界展现一幅优品的设计蓝图。
专注的态度成就专业的品质,西安奥信与您携手追求时尚品。
购买的愉悦不仅仅是获得,更是其中的服务,以温馨的服务带来全新的体验。