029-88651096

APW10绝压压力开关 Cella开关 wika开关

APW10绝压开关, Cella开关,wika开关

在线客服 在线客服 在线客服 在线客服 在线客服 在线客服 在线客服
发布时间:2021-07-12  

 

 

  • APW10绝压压力开关 Cella开关 wika开关

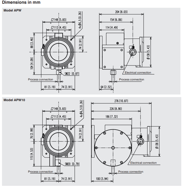
描述
APW绝压开关是对高安全性能应用而研发。符合* 产品制造标准,可实现可靠监控。在生产中,开关在每个步骤都经由质量管理软件跟踪记录,而且在成品后经过了严格的测试。所有接液部件均使用不锈钢作为标准材料。
为了保证操作尽可能地灵活,*压力开关配备了微型开关,可直接开关高达20 A / AC 220V的电气负载。
对于低开关容量应用,比如PLC应用,可选用带镀金电接点的氩气填充微型开关。
这款绝压开关采用了膜片测量系统,坚固耐用,实现了良好的操作特性和测量性能,且重复精度小于1%。

应用
绝压过程的监测和控制
对过程仪表有高安全应用要求的行业,尤其是化工和石化行业、石油天然气、发电(包括核电站)、水/污水处理行业、采矿等
适用于气体、液体和有腐蚀性介质,也可使用在腐蚀性环境中

功能特性
开关电力负载无需电源供给
外壳坚固,防护等级高达IP66(NEMA 4X)
设置范围从0…2.5 kPa  abs 至 0…0.15 MPa abs
重复精度:≤满量程1%
一个或两个独立的开关设置点:单刀双掷或双刀双掷,开关点容量AC250 V,20A

量程规格

实物图


Copyright © 2006 AOSOON All rights reserved
在线客服