描述
APA系列绝压开关为安全要求高的应用而研发,符合* 产品制造标准,可实现可靠监控。在生产中,开关在每个步骤都经由质量管理软件跟踪记录,而且在成品后经过了严格的测试。
为了保证操作尽可能地灵活,该压力开关配备了微型开关,能直接开关高达AC 250V/20 A的电气负载。
针对小容量开关,比如PLC应用,可选择填充氩气的带镀金触电的微动开关。
所有的接液材质都是以不锈钢材质为标准。
APA型绝压开关采用了膜片测量系统,坚固耐用,实现了出色的操作特性和测量性能,且重复精度小于1%。
应用
过程绝压测量和监控
对过程仪表有高安全应用要求的行业,尤其适合化工石化行业、油气行业、包括核电站在内的发电厂、水/污水处理、采矿业等
适合气态,液态以及腐蚀性介质,同样适用于恶劣环境。
功能特性
开关电气负载时无需电源供给
坚固耐用的铝质外壳,IP 66防护等级,符合NEMA 4X标准
设置范围:0 ... 2.5 kPa abs 至 0 ... 0.15 MPa abs
重复精度≤满量程1%
可设置1个或2个独立开关点:单刀双掷或双刀双掷,开关容量高达 AC 250V / 20A
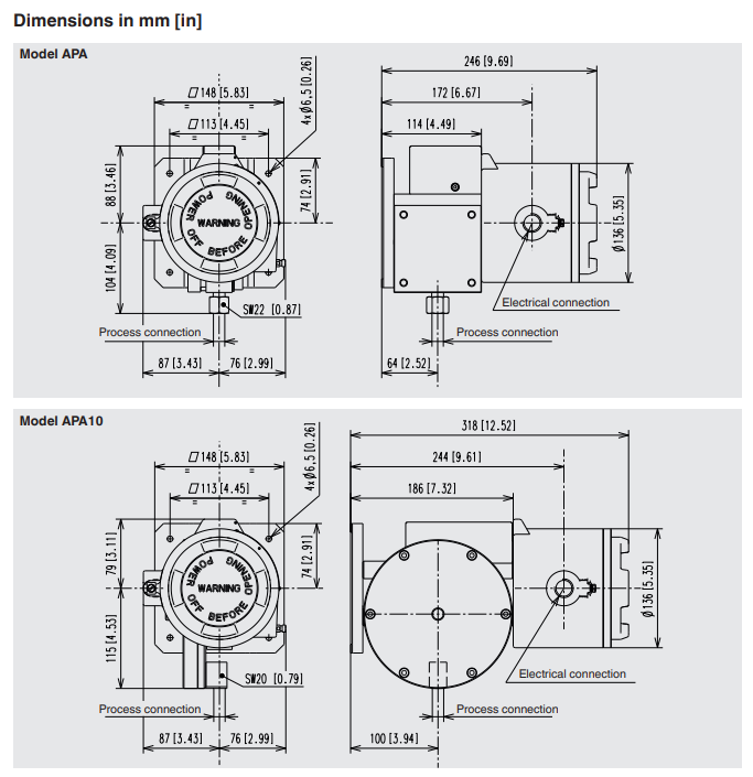
量程规格

实物图


走进奥信
公司简介 联系我们解决方案
技术文章 行业应用我们的理念
用科技创新的理念撰写辉煌篇章,向世界展现一幅优品的设计蓝图。
专注的态度成就专业的品质,西安奥信与您携手追求时尚品。
购买的愉悦不仅仅是获得,更是其中的服务,以温馨的服务带来全新的体验。