威卡DW差压开关的描述
DW系列和DW10差压开关符合* 产品制造标准,可实现可靠监控。在生产中,这些差压开关在每个步骤都经由质量管理软件跟踪记录,而且在成品后经过了详细的测试。该差压开关配备了微型开关,可以直接开关高达15 A / AC 220V 的电气负载。对于需要较小开关额定值的应用,比如PLC应用,可选用带镀金电接点的填充氩气的微型开关。
所有接液部件以不锈钢为标准。对于接液部件有特殊要求的应用,可选用带Monel®合金接液部件的型号。
重复性低于量程的1%
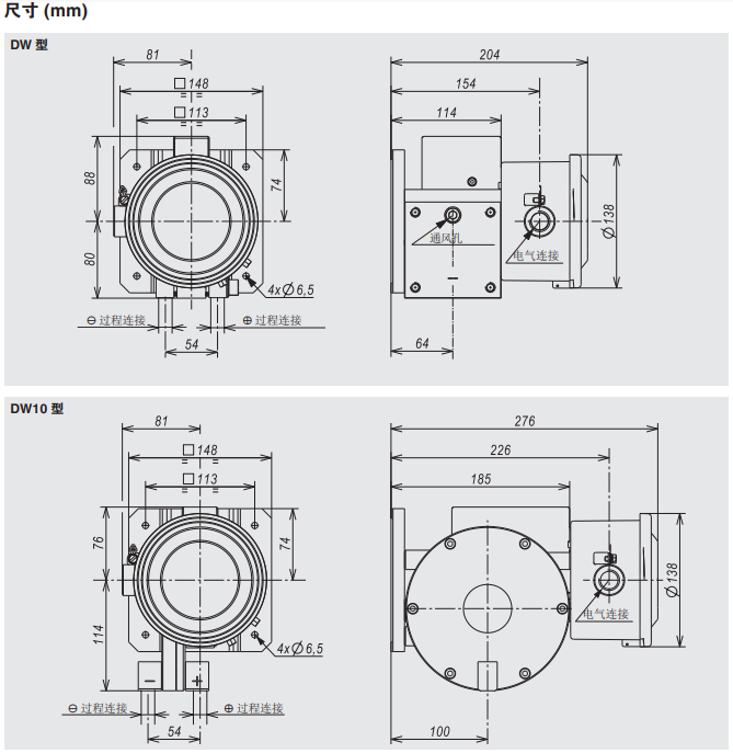
底部过程连接的中心距54mm,便于安装标准阀组。
原意大利Cella开关
差压开关的应用
差压监控和过程控制
对过程仪表有高安全应用要求的行业:化工、石化、油气、电厂(含核电)、水/废水处理、采矿等
适用于侵蚀性、高粘度或受污染的气体和液体介质以及侵蚀性环境
过滤器和液位监测
差压开关的功能特性
电气负载无需电源
316L不锈钢外壳,坚固耐用,防护等级高达IP 66,符合NEMA 4X标准
设定范围:0...1.6 kPa 至 0...4 MPa,高静压和单边压力高达16 MPa
本安型
1个或2个独立切换值,单刀双掷(SPDT)和双刀双掷(DPDT),高触点容量15 A / AC 220 V
wika差压开关参数
DW-10UN - 0...16 mbar - 2x1/4 -NPT-F - 1/2 -14 NPT-F
Differential pressure switch, Stainless steel version DW
static pressure: 10 bar, one-side pressure: 2bar (only for setting range 0...16mbar!)
contact version: 1x SPDT silver contact
setting range: 0...16 mbar
set point definition: Set Point not defined
process connection: 2x1/4 -NPT-F
electrical connection: 1/2 -14 NPT-F
Mounting: Enclosure with plate for wall or direct mounting
Diaphragm Material: AISI 316
brand: WIKA Instruments Italia
Specifications according to data sheet: PV 35.42
Repeatability of set point: ≤ 1% of span
实物图

走进奥信
公司简介 联系我们解决方案
技术文章 行业应用我们的理念
用科技创新的理念撰写辉煌篇章,向世界展现一幅优品的设计蓝图。
专注的态度成就专业的品质,西安奥信与您携手追求时尚品。
购买的愉悦不仅仅是获得,更是其中的服务,以温馨的服务带来全新的体验。