描述
PSM-700型机械压力开关设计用于控制和监测应用。测量元件为由316L不锈钢制成的完全焊接波纹管。此类防腐蚀型压力开关适用于过程工业内使用的各种介质。
开关外壳由铝合金材料制成,确保压力开关能够承受过程工业中的严苛操作条件。
PSM-700型开关配有经UL*的微动开关,确保其具有高度的耐久性和较长使用寿命。
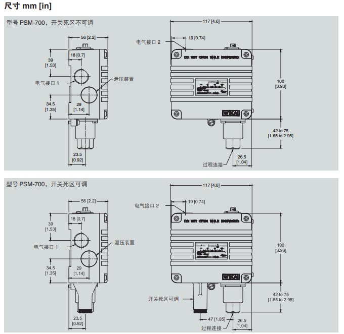
此外,PSM-700型开关还具有≤ 0.5 %的开关动作点可重复性,可实现可靠切换。可调节式开关死区,范围广泛,达到设置范围的60%,实现灵活开/关控制。在循环应用的开/关控制模式下,通常也需要此类较广泛的设置范围。
可在现场规定开关动作点。可以通过防篡改设计,防止未人员调节开关动作点。
应用
过程应用用泵(如水处理、管道和供水)
液压工业(如压力控制、油压监测和管线的过压保护)
自动喷淋系统的控制
气体压缩机的控制
功能特性
开关死区可调范围*大可达到设定值的60%以实现所需的控制要求
耐用的铝制外壳
开关的重复性可达≤ 0.5 %,保证开关的稳定性
高质量的微动开关保证较长的使用寿命
拥有2个不同方向的电气接口可供选择
PSM-700压力开关参数
PSM-700, Setting range: 0.7…7 bar, 1/4 NPT female
Pressure switch
Specifications according to data sheet: PV 35.05
Repeatability: ≤ 0.5 %
Switching function: change-over
Fixed switching differential + SPDT, the electrical rating please see the datasheet
Electrical connection: 1/2" NPT female
Process connection: 1/4 NPT female
Setpoint setting: Factory setting,
Detailed information on the setpoint can be found in the data sheet
Switching direction: decreasing pressure
Material of the wetted parts: Stainless steel
Permissible medium temperature: -30...+115°C
实物图


走进奥信
公司简介 联系我们解决方案
技术文章 行业应用我们的理念
用科技创新的理念撰写辉煌篇章,向世界展现一幅优品的设计蓝图。
专注的态度成就专业的品质,西安奥信与您携手追求时尚品。
购买的愉悦不仅仅是获得,更是其中的服务,以温馨的服务带来全新的体验。