413.7bar活塞式高压开关 J402-614-M408美国UE双点开关 400系列概要 400系列压力开关是一种多用处的系列开关,特别适用于需要多点输出和控制时。双点和3点设定提供多点的输出,可用于报警
![]() |
![]() |
![]() |
![]() |
![]() |
![]() |
![]() |
| 发布时间:2025-05-15 | ||||||
413.7bar活塞式高压开关J402-614-M408美国UE双点开关
400系列概要
400系列压力开关是一种多用处的系列开关,特别适用于需要多点输出和控制时。双点和3点设定提供多点的输出,可用于报警和关断,预警和报警,高/低限个液位控制功能。此系列开关有多种微动开关和多种过程接口的选择,使得400系列开关可以满足各种不同的需求。
由于其自身的特性,400系列广泛应用于保护与控制,工业过程装置及泵,汽轮机,压缩机,纸浆和造纸,水及污水处理等行业.
性能特点
· 一个,两个或三个开关量输出,设定点范围内*跨度的分别设定
· 环氧树脂涂层和铸铝结构的壳体满足NEMA 4X的标准
. 有多种压力构件和材料的选择
. 设定时有参考刻度货六角螺钉调节
. 通过FM*
技术参数
储存温度 -54~71℃
环境温度 -40~71℃ 环境温度每变化28℃,设定点典型的漂移不超过1%
设定点重复性 温度开关:可调范围内±1%;
压力开关126-376型,520-535型:可调范围内±1%;440-559型:可调范围内±0.5%;610-614型: 可调范围内±1.5%
耐冲击 经15G,10毫秒周期试验. 可重现设定点
抗振动 经2.5G,5~500HZ振动试验,可重现设定点
外壳 压铸铝合金,带环氧树脂涂层.垫圈密封.卡紧螺丝
外壳防护等级 加选项M900可符合NEMA4X.IP65要求(防水型电气接口) 开关输出 一个.两个或三个单刀双掷(SPDT)输出.可在全范围内分别设定.531-534型为50%;520、525、535型为30%;开关可接成"常开型"或"常闭型"
电额定值 15安培. 125/250/480伏交流
重量 约重3-7.5磅
413.7bar活塞式高压开关J402-614-M408美国UE双点开关
美国UE 400系列压力开关描述
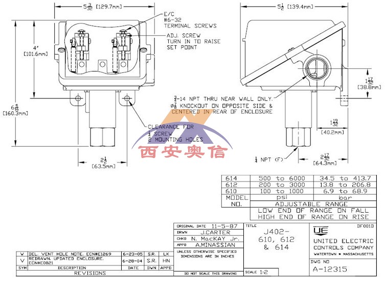
J400型:一个单刀双掷(SPDT)输出;内部可调,无参考刻度
J400-610 J400-16014(J402-612) J400-614
J402 型:二个单刀双掷(SPDT)输出;内部可调,无参考刻度
J402-610 J402-16014(J402-612) J402-614
J403 型:三个单刀双掷(SPDT)输出;内部可调,无参考刻度
J403-610 J403-16014(J403-612) J403-614
电额定值10A 125/250/VAC
感压元件:303不锈钢活塞,丁腈橡胶O型密封圈
压力接口:1/4NPTF
可调量程:6.9-413.7bar
开关信号:2*SPDT
设定点重复性:±3%
电气接口:3/4NPTF
外壳材质:铸铝壳体,环氧树脂防腐涂层
防护等级:IP66
存储温度 -65 to 160℉(-54—71℃)
环境温度 -40 to 160℉(-40 to 71℃);
抗冲击 经10 毫秒、15G 冲击实验后,可重现设定点
抗振动 经2.5G、5—500Hz 振动实验后,可重现设定点
开关输出 一个单刀双掷(SPDT)快速动作开关;可接成“常开型”或“常闭型”
量程规格
| 型号 | 可调整压力范围 | 死区 | 工作压力 | 耐压 | 接液材质 | 压力接口 |
| J400-610 | 6.9-68.9bar | 2.1-10.3bar | 413.7bar | 689.5bar | 303活塞+O型圈 | 1/4NPTF |
| J400-16014 | 13.8-206.8bar | 2.8-17.2bar | 413.7bar | 689.5bar | 303活塞+O型圈 | 1/4NPTF |
| J400-614 | 34.5-413.7bar | 3.4-27.6bar | 413.7bar | 689.5bar | 303活塞+O型圈 | 1/4NPTF |

走进奥信
公司简介 联系我们解决方案
技术文章 行业应用我们的理念
用科技创新的理念撰写辉煌篇章,向世界展现一幅优品的设计蓝图。
专注的态度成就专业的品质,西安奥信与您携手追求时尚品。
购买的愉悦不仅仅是获得,更是其中的服务,以温馨的服务带来全新的体验。