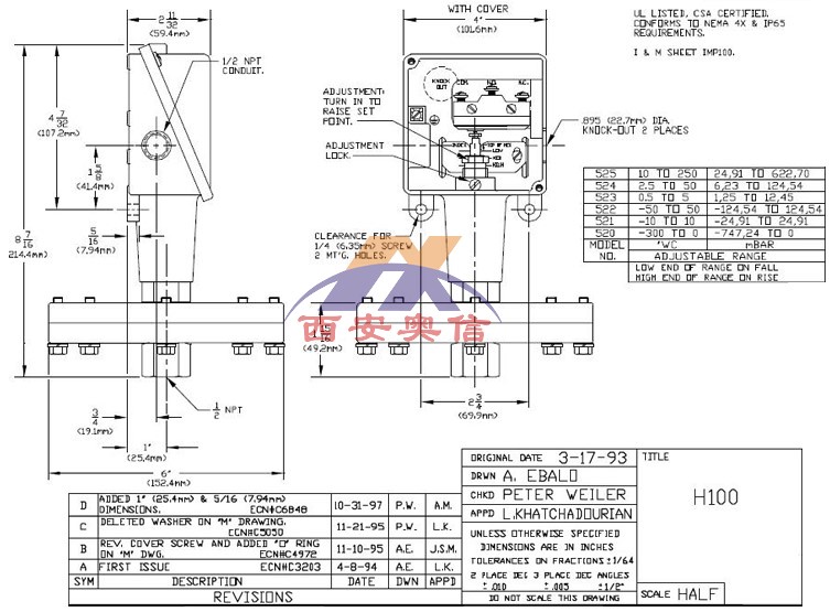
H100-525-M201 美国UE压力开关 炉膛烟气压力报警器 美国UE
![]() |
![]() |
![]() |
![]() |
![]() |
![]() |
![]() |
| 发布时间:2022-12-05 | ||||||
美国UE压力开关
丁腈橡胶Buna-膜片
H100-520-M201 H100-521-M201 H100-522-M201
H100-523-M201 H100-524-M201 H100-525-M201
焊接316L膜片
H100-530-M201 H100-531-M201 H100-532-M201
H100-533-M201 H100-534-M201 H100-535-M201
参数备注
选项-XC004:316L接口和316L感压膜片,viton密封圈
膜片材质: Buna-N丁腈橡胶膜片或焊接316L膜片
压力接口:1/2NPTF
可调量程:-746.7mbar~622.3mabr
开关信号:SPDT单刀双掷
电气接口:1/2NPTF
外壳材质:铸铝壳体,环氧树脂防腐涂层
防护等级:IP66
膜片选型注意事项:
这款是锅炉配套炉膛压力开关,或微压气体压力开关。首先要考虑介质的腐蚀性程度。特殊的危险气体等,要考虑是否有泄漏风险,有害气体推荐选焊接式膜片,比如H100-53*系列,比如氨气等。
特殊选项
M201 工厂出厂前对开关进行单点的设定;定货时需指明设定点的值,是高报还是低报(上升或下降
报警)
M405 ATEX 本质安全*
M406 俄罗斯防火本安*
M444 纸制标牌
M446 不锈钢标牌,金属线拴系
M449 安装支架。当进行表面安装时候需要选择520-535,15737 型号。其他型号选6361-704 支架号。
M504 316L 不锈钢直插杆,仅适用120,121 型。
M540 氟橡胶(Viton)结构(死区大约增大15%,低压端将增大10%);浸液部件包括氟橡胶(Viton)膜
片和O 型圈及不锈钢压力接口;适用于610-616 型(*O 型圈),701-705(氟橡胶膜片,氟
橡胶O 型圈,不锈钢压力接口),以及540-548(密封膜片和铝制压力接口)。
M550 氧清洗纯净处理,内部结构将改变。不适用于压力型号706。
XC001 铝制压力接口,氟橡胶(Viton)膜片,氟橡胶(Viton)O 型圈。
XC002 铝制压力接口,Kapton 膜片,丁腈橡胶(Buna-N)O 型圈。
XC003 铝制压力接口,Kapton 膜片,氟橡胶(Viton)O 型圈。
XC004 316L 不锈钢压力接口,316L 不锈钢膜片,氟橡胶(Viton)O 型圈。工作压力小于100 psi。
XC005 316L 不锈钢压力接口,氟橡胶(Viton)膜片,氟橡胶(Viton)O 型圈。
XC006 316L 不锈钢压力接口,Kapton 膜片,氟橡胶(Viton)O 型圈。
XC007 316L 不锈钢压力接口,Teflon 膜片,氟橡胶(Viton)O 型圈。
H100-52X压力开关参数
| 型号 | 可调整压力范围 | 死区 | 工作压力 | 耐压 | 接液材质 | 压力接口 |
| H100-520 | -746.7-0mbar | 0.5-19.9mbar | 13.8bar | 27.6bar | 定睛橡胶膜片及O型圈 | 1/2NPTF |
| H100-521 | -24.9-24.9mbar | 0.2-1.5mbar | 13.8bar | 27.6bar | 定睛橡胶膜片及O型圈 | 1/2NPTF |
| H100-522 | -124.5-124.5mbar | 0.2-7.5mbar | 13.8bar | 27.6bar | 定睛橡胶膜片及O型圈 | 1/2NPTF |
| H100-523 | 1.2-12.4mbar | 0.2-0.7mbar | 13.8bar | 27.6bar | 定睛橡胶膜片及O型圈 | 1/2NPTF |
| H100-524 | 6.2-124.5mbar | 0.2-2.0mbar | 13.8bar | 27.6bar | 定睛橡胶膜片及O型圈 | 1/2NPTF |
| H100-525 | 24.9-622.3mbar | 0.2-14.9mbar | 13.8bar | 27.6bar | 定睛橡胶膜片及O型圈 | 1/2NPTF |


走进奥信
公司简介 联系我们解决方案
技术文章 行业应用我们的理念
用科技创新的理念撰写辉煌篇章,向世界展现一幅优品的设计蓝图。
专注的态度成就专业的品质,西安奥信与您携手追求时尚品。
购买的愉悦不仅仅是获得,更是其中的服务,以温馨的服务带来全新的体验。