H100-522-M201 美国UE炉膛微压开关 高炉煤气压力开关 美国UE
![]() |
![]() |
![]() |
![]() |
![]() |
![]() |
![]() |
| 发布时间:2022-12-05 | ||||||
压力开关选型参数
1.压力范围 2.Max压力 3.介质 4.是否防爆
遵循原则
1.设定值在可调范围内
2.在可调范围中间1/3处性能*。
3.尽量不要选择在10%以下和90%以上
压力开关/差压开关/温度开关
危险场合型产品: 120系列 12系列
通用型开关: 100系列 400系列 J6系列 24系列 J21K系列
电子式开关:One系列开关,可带HART协议/输出4-20mA信号/带报警
美国UE开关型号
炉膛负压开关/微压开关
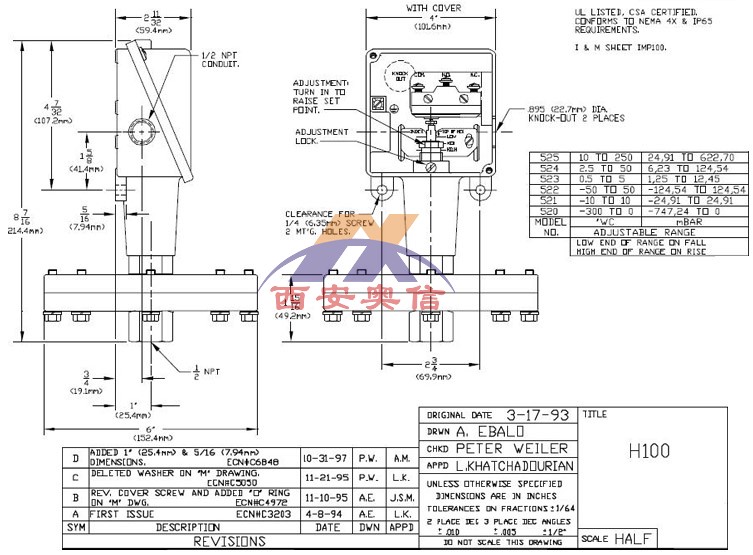
H100-520 H100-521 H100-522 H100-523 H100-524 H100-525
H100-530 H100-531 H100-532 H100-533 H100-534 H100-535
死区可调开关
H100-15737 H100-15623 H100-15731 H100-15732 H100-15733
H100-15734 H100-15735 H100-15736 H100-15884
焊接316L不锈钢膜片开关
H100-171 H100-172 H100-173 H100-174
焊接316不锈钢膜片开关
H100-190 H100-191 H100-192 H100-193 H100-194
H100-490 H100-491 H100-492 H100-493 H100-494
316L不锈钢压力开关
H100-183 H100-184 H100-185 H100-186 H100-188 H100-189
H100-483 H100-484 H100-486 H100-486 H100-488 H100-489
概要
100 系列压力及温度开关是性能价格比*好的系列开关,广泛应用于工业过程及OEM 用户,一体化的设计及外壳的形状结构使其更加坚固,接线更加方便。全天候系列开关有多种微动开关和多种过程接口的选择,以满足各种不同的需求。利用其自身的特性,100 系列广泛应用于热跟踪,防冻保护,过程装置(泵,压缩机),报警盘输入及火焰阻断系统。
特殊选项
M201 工厂出厂前对开关进行单点的设定;定货时需指明设定点的值,是高报还是低报(上升或下降报警)
M405 ATEX 本质安全*
M406 俄罗斯防火本安*
M444 纸制标牌
M446 不锈钢标牌,金属线拴系
M449 安装支架。当进行表面安装时候需要选择520-535,15737 型号。其他型号选6361-704 支架号。
M504 316L 不锈钢直插杆,仅适用120,121 型。
M540 氟橡胶(Viton)结构(死区大约增大15%,低压端将增大10%);浸液部件包括氟橡胶(Viton)膜
片和O 型圈及不锈钢压力接口;适用于610-616 型(*O 型圈),701-705(氟橡胶膜片,氟
橡胶O 型圈,不锈钢压力接口),以及540-548(密封膜片和铝制压力接口)。
M550 氧清洗纯净处理,内部结构将改变。不适用于压力型号706。
XC001 铝制压力接口,氟橡胶(Viton)膜片,氟橡胶(Viton)O 型圈。
XC002 铝制压力接口,Kapton 膜片,丁腈橡胶(Buna-N)O 型圈。
XC003 铝制压力接口,Kapton 膜片,氟橡胶(Viton)O 型圈。
XC004 316L 不锈钢压力接口,316L 不锈钢膜片,氟橡胶(Viton)O 型圈。工作压力小于100 psi。
XC005 316L 不锈钢压力接口,氟橡胶(Viton)膜片,氟橡胶(Viton)O 型圈。
XC006 316L 不锈钢压力接口,Kapton 膜片,氟橡胶(Viton)O 型圈。
XC007 316L 不锈钢压力接口,Teflon 膜片,氟橡胶(Viton)O 型圈。


走进奥信
公司简介 联系我们解决方案
技术文章 行业应用我们的理念
用科技创新的理念撰写辉煌篇章,向世界展现一幅优品的设计蓝图。
专注的态度成就专业的品质,西安奥信与您携手追求时尚品。
购买的愉悦不仅仅是获得,更是其中的服务,以温馨的服务带来全新的体验。