J402-16014-M202 高低压报警控制器 美国UE不锈钢活塞式开关 美国UE压力开关 2*SPDT双点输出
![]() |
![]() |
![]() |
![]() |
![]() |
![]() |
![]() |
| 发布时间:2022-11-07 | ||||||
美国UE压力开关的应用
泵和压缩机
流体动力/液压设备
临街处理装置功能的极限保护
防火系统
热跟踪和低温保护
温度控制系统
概要
400 系列压力,差压及温度开关是一种多用处的的系列开关,特别适用于需要多点输出和控制时。双点和3 点设定提供多点的输出,可用于报警和关断,预警和报警,高/低限和液位控制功能。全天候系列开关有多种微动开关和多种过程接口的选择,使得400 系列开关可以满足各种不同的需求。由于其自身的特性,400 系列广泛应用于保护与控制,工业过程装置及泵,气轮机,压缩机,纸浆和造纸,水及污水处理等行业。
美国UE开关 400系列特点
一, 二或三个开关量输出,设定点*的范围内可分别设定
环氧树脂外壳设计满足 NEMA 4X 要求
多种膜片可供选择,如316SS,黄铜,丁晴橡胶和TEFLON
选择参照标度或旋转螺杆调整设定点
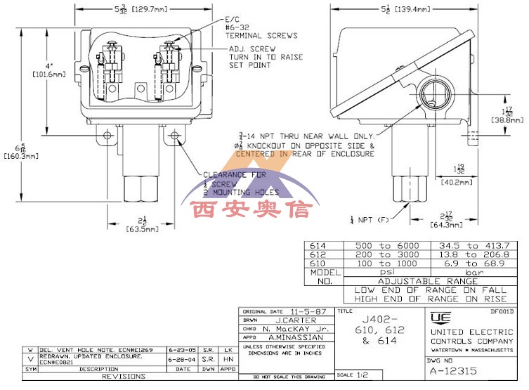
| 型号 | 可调整压力范围 | 死区 | 工作压力 | 耐压 | 接液材质 | 压力接口 |
| J402-610 | 6.9-68.9bar | 2.1-10.3bar | 413.7bar | 689.5bar | 303活塞+O型圈 | 1/4NPTF |
| J402-16014 | 13.8-206.8bar | 2.8-17.2bar | 413.7bar | 689.5bar | 303活塞+O型圈 | 1/4NPTF |
| J402-614 | 34.5-413.7bar | 3.4-27.6bar | 413.7bar | 689.5bar | 303活塞+O型圈 | 1/4NPTF |


走进奥信
公司简介 联系我们解决方案
技术文章 行业应用我们的理念
用科技创新的理念撰写辉煌篇章,向世界展现一幅优品的设计蓝图。
专注的态度成就专业的品质,西安奥信与您携手追求时尚品。
购买的愉悦不仅仅是获得,更是其中的服务,以温馨的服务带来全新的体验。