防爆压力开关的应用
1.防爆压力开关广泛应用在石油、化工、冶金、电力、制糖、制药等各行业需要压力控制的场所,在自动化控制系统中起压力保护的作用。其中全焊接不锈钢膜片是目前应用*多,可靠性*的压力保护方式,全焊接模式能够有效的防止漏液和误动作;有较强的抗腐蚀性;金属波纹管式控制器广泛用于以上行业各种腐蚀气体和液体,能够做到比不锈钢膜片式更高的压力;橡胶膜片式控制器用于中性气体和液体介质。
2.防爆压力开关可以广泛应用于石化、海上平台、水处理、医药、食品加工、造纸、电厂、煤气、矿业、生物、半导体、船舶、国防、管道等各个行业。当发生紧急情况时,防爆压力开关发出信号,保护设备,或者应用于一些执行机构如阀门前,或者元件如爆破片后,在存在危险的$现场输出准确可靠的报警信号。
技术参数
存储温度 -65 to 160℉(-54—71℃)
环境温度 -40 to 160℉(-40 to 71℃);520-525、540-548、700-706、15731-15736:0 to 160℉(-18 to 71℃);环境温度每变化50℉(28℃),设定点典型漂移值小于全量程的1%
设定点重复性 温度开关:为可调范围的±1%;
压力开关:15623,15731-15737,171-174,218,270-376,520-535,540-543,
700-706,560-564 型号为可调范围的±1%;190-194,183-189,483-494,544-548,
565-567,610-680,15884 型号为可调范围的±1.5%。
所有压力开关都有内部设定点锁定装置。
抗冲击 经10 毫秒、15G 冲击实验后,可重现设定点
抗振动 经2.5G、5—500Hz 振动实验后,可重现设定点
外壳 铸铝合金压铸壳体;环氧树脂涂层;带密封垫的不锈钢抗干扰刻度盖卡紧螺丝。
外壳等级 符合NEMA 4X 要求。
开关输出 一个单刀双掷(SPDT)快速动作开关;可接成“常开型”或“常闭型”
防爆压力开关 P/N:J120-703 OPTIONS:M540 压力范围:0.6 bar to 20.7bar,耐压:1000psi 氟橡胶膜片
常规UE压力开关
H100-701 H100-702 H100-703
H100-704 H100-705 H100-706
隔爆型UE压力控制器
J120-701 J120-702 J120-703 J120-704 J120-705
1010-DPDT双刀双掷压力开关
J120-701-1010 J120-702-1010 J120-703-1010 J120-704-1010 J120-705-1010
-M540氟橡胶膜片
J120-701-M540 J120-702-M540 J120-703-M540 J120-704-M540 J120-705-M540
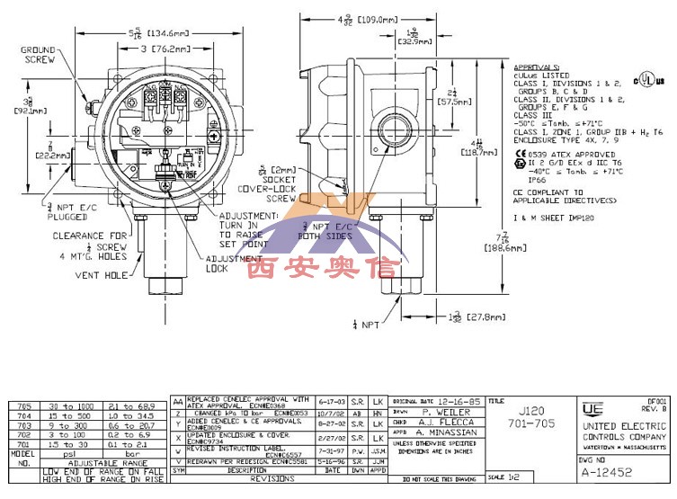
J120系列Ex dCT6隔爆压力开关参数
| 型号 | 可调整压力范围 | 死区 | *压力 | 耐压 | 接液材质 | 压力接口 |
| J120-701 | 103.4mbar-2.1bar | 68.9mbar-0.1bar | 34.5bar | 41.4bar | 定睛橡胶膜片及O型圈 | 1/4NPTF |
| J120-702 | 0.2-6.9bar | 68.9mbar-0.3bar | 34.5bar | 41.4bar | 定睛橡胶膜片及O型圈 | 1/4NPTF |
| J120-703 | 0.6-20.7bar | 68.9mbar-0.5bar | 34.5bar | 41.4bar | 定睛橡胶膜片及O型圈 | 1/4NPTF |
| J120-704 | 1.0-34.5bar | 0.1-0.8bar | 103.4bar | 172.4bar | 定睛橡胶膜片及O型圈 | 1/4NPTF |
| J120-705 | 2.1-68.9bar | 0.2-1.5bar | 103.4bar | 172.4bar | 定睛橡胶膜片及O型圈 | 1/4NPTF |


走进奥信
公司简介 联系我们解决方案
技术文章 行业应用我们的理念
用科技创新的理念撰写辉煌篇章,向世界展现一幅优品的设计蓝图。
专注的态度成就专业的品质,西安奥信与您携手追求时尚品。
购买的愉悦不仅仅是获得,更是其中的服务,以温馨的服务带来全新的体验。