美国UE防爆型压力开关应用
1.防爆压力开关广泛应用在石油、化工、冶金、电力、制糖、制药等各行业需要压力控制的场所,在自动化控制系统中起压力保护的作用。其中全焊接不锈钢膜片是目前应用多,可靠性好的压力保护方式,全焊接模式能够有效的防止漏液和误动作;有较强的抗腐蚀性;金属波纹管式控制器广泛用于以上行业各种腐蚀气体和液体,能够做到比不锈钢膜片式更高的压力;橡胶膜片式控制器用于中性气体和液体介质。
2.防爆压力开关可以广泛应用于石化、海上平台、水处理、医药、食品加工、造纸、电厂、煤气、矿业、生物、半导体、船舶、国防、管道等各个行业。当发生紧急情况时,防爆压力开关发出信号,保护设备,或者应用于一些执行机构如阀门前,或者元件如爆破片后,在存在危险的***现场输出准确可靠的报警信号。
防爆压力开关功能特点
1. 防爆压力开关性能稳定可靠
2. 结构简单,无可拆卸部件
3. SPDT或DPDT输出
4. 铸铝外壳,可选防爆
5. 多种压力及电气接口可选
6. 防爆压力开关具有控制功能;
7. 防爆压力开关采用压力传感器;
8. 开关信号可靠;
9. 比机械压力开关精度高,响应快;
10. 防爆压力开关便于现场安装设定和调试
11. 全密封型快速干接点开关,带有端子盒
12. 连续调节; 调节无死区,零点到满量程设定任意调整;
13. 防爆压力开关适合各类工业现场能够理想的替代国外同类产品
14. 多种不同类型的传感组件材料,包括焊接不锈钢膜片及波纹管。
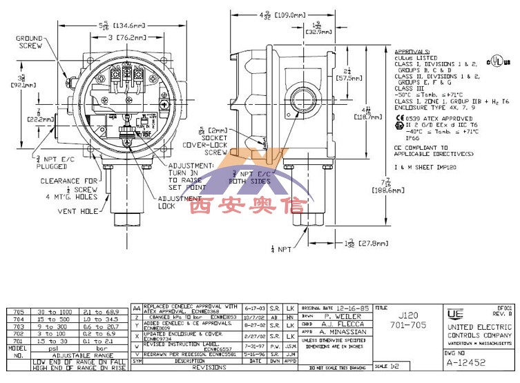
防爆压力开关 P/N:J120-704 OPTIONS:1010 压力范围:1.0 bar to 34.5bar,耐压:1000psi DPDT双刀双掷
常规UE压力开关
H100-701 H100-702 H100-703
H100-704 H100-705 H100-706
隔爆型UE压力控制器
J120-701 J120-702 J120-703 J120-704 J120-705
1010-DPDT双刀双掷压力开关
J120-701-1010 J120-702-1010 J120-703-1010 J120-704-1010 J120-705-1010
-M540氟橡胶膜片
J120-701-M540 J120-702-M540 J120-703-M540 J120-704-M540 J120-705-M540
J120系列Ex dCT6隔爆压力开关参数
| 型号 | 可调整压力范围 | 死区 | *压力 | 耐压 | 接液材质 | 压力接口 |
| J120-701 | 103.4mbar-2.1bar | 68.9mbar-0.1bar | 34.5bar | 41.4bar | 定睛橡胶膜片及O型圈 | 1/4NPTF |
| J120-702 | 0.2-6.9bar | 68.9mbar-0.3bar | 34.5bar | 41.4bar | 定睛橡胶膜片及O型圈 | 1/4NPTF |
| J120-703 | 0.6-20.7bar | 68.9mbar-0.5bar | 34.5bar | 41.4bar | 定睛橡胶膜片及O型圈 | 1/4NPTF |
| J120-704 | 1.0-34.5bar | 0.1-0.8bar | 103.4bar | 172.4bar | 定睛橡胶膜片及O型圈 | 1/4NPTF |
| J120-705 | 2.1-68.9bar | 0.2-1.5bar | 103.4bar | 172.4bar | 定睛橡胶膜片及O型圈 | 1/4NPTF |


走进奥信
公司简介 联系我们解决方案
技术文章 行业应用我们的理念
用科技创新的理念撰写辉煌篇章,向世界展现一幅优品的设计蓝图。
专注的态度成就专业的品质,西安奥信与您携手追求时尚品。
购买的愉悦不仅仅是获得,更是其中的服务,以温馨的服务带来全新的体验。