美国UE防爆压力开关的工作原理
防爆压力开关是通过坚固的密封壳体将接线触点密闭在坚固空间中达到隔爆的效果。
防爆压力开关工作原理为纯机械形变导致微动开关动作。当压力增加时,作用在不同的传感压力元器件(膜片、波纹管、活塞)产生形变,将向上移动,通过栏杆弹簧等机械结构,zui终启动zui上端的微动开关,使电信号输出,设定方式从功能原理上又分成连续位移型和力平衡型。防爆压力开关按原理可分为机械防爆压力开关和电子防爆压力开关,机械式中又分为普通的和密封型。
产品系列
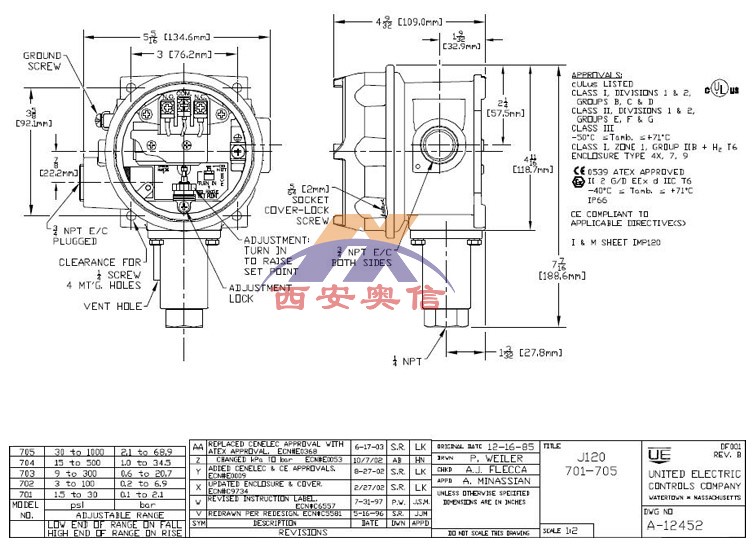
J120,内部可调,单点开关,两个电气接口 死区可调微动开关
H121,单点报警,外部可调,有参考刻度,一个电气接口
H122,双点报警,外部可调,有参考刻度,一个电气接口
型号H122P, 配有2个全密封的独立开关,外部可调,带参考刻度,一个电气接口;
J120K ,单点报警,内部可调,两个电气接口
H121K,单点报警,外部可调,有参考刻度,一个电气接口
H122K,双点报警,外部可调,有参考刻度,一个电气接口


走进奥信
公司简介 联系我们解决方案
技术文章 行业应用我们的理念
用科技创新的理念撰写辉煌篇章,向世界展现一幅优品的设计蓝图。
专注的态度成就专业的品质,西安奥信与您携手追求时尚品。
购买的愉悦不仅仅是获得,更是其中的服务,以温馨的服务带来全新的体验。