UE开关防腐开关H100-185-XD002-XP112 美国UE开关 报警范围0.6~6.9bar
![]() |
![]() |
![]() |
![]() |
![]() |
![]() |
![]() |
| 发布时间:2022-08-29 | ||||||
UE开关防腐开关H100-185-XD002-XP112 报警范围0.6~6.9bar
UE开关优势
316不锈钢、哈氏合金 B、C、锰乃尔合金等材质抗腐蚀焊接膜片在很多应用中代替了普通密封膜片,从而提高了在腐蚀性溶剂、特性钠、盐、有机/无机酸、碱、海水等苛刻条件下的抗氧化、抗腐蚀的能力。
性能特点
● 符合各类标准*要求, 包括cULus, ATEX & IECEx
● 可选符合俄罗斯、乌克兰以及国内的标准*要求
● 有参考刻度的内部调整及有防误操作盒盖的外部调整
● 可调旋钮的盖锁
● SPDT、DPDT 或双SPDT 输出
● 多种传感器材质可选
● 对于强腐蚀场所可选用哈氏合金,蒙乃尔材料
● 大范围可调死区型号
● 易冲洗式传感元件
● 热追踪温度型号
UE压力开关选型注意事项
压力开关广泛应用于家用、商用、汽车制冷系统的高、低压力保护控制,蒸汽工况和发电站;蓄能器,接收器,闪蒸罐,分离器,洗涤器,炼油装置。也可适用于各种设备工具的高、低压力保护控制。但在压力开关的选择中,须注意以下几点:
1.防爆的必要性:防爆形式分为隔爆型和本安型。
2.是否需要带指示:根据客户指示。
3. 接点数量:一接点(一个输出)或两接点(两个输出)。
4.设定值和压力范围的确定:推荐设定范围在压力范围的30%—65%之间,可设定范围为压力范围的15%—90%之间。
5.接断差的形式:可调式或固定式。
6.是否有脉动:如果压力有脉动或振动,需要带节流阀用以抑制脉动压力对仪表的损伤。
7.带隔膜的场合:测定腐蚀性、高黏度或温度过高时,需要选用带隔膜
UE开关防腐开关H100-185-XD002-XP112报警0.6~6.9bar
H100-185-M201 316L不锈钢膜片(可选择哈氏合金C,锰乃尔,钽等材质);氟橡胶GLT O型圈(可选Kalrez乙丙烯或者是Alflas)316L不锈钢1/2”NPTF压力接口(可选哈氏合金B或C,锰乃尔等材质),0.72”大尺寸感压孔。188及189型有一个316L不锈钢1/2”NPTF压力接口。(符合NACE MR-0175标准)。
防腐开关型号(氯离子含量高的废水等)
H100-183-XD002-XP112-1/2NPTF,范围:0.1~1.4bar
H100-184-XD002-XP112-1/2NPTF,范围:0.1~3.4bar
H100-185-XD002-XP112-1/2NPTF,范围:0.6~6.9bar
H100-186-XD002-XP112-1/2NPTF,范围:0.6~13.8bar
H100-188-XD002-XP112-1/2NPTF,范围:3.4~68.9bar
H100-189-XD002-XP112-1/2NPTF,范围:17.2~241.3bar5
常规UE开关-316L不锈钢压力开关
H100-183 H100-184 H100-185
H100-186 H100-188 H100-189
产品系列描述
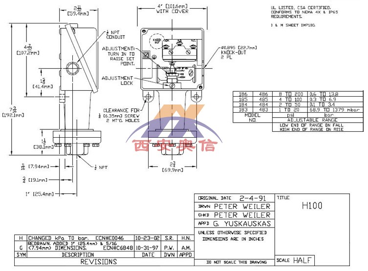
压力开关 H100型:一个单刀双掷输出;NEMA 4X外壳,环氧涂层;内部可调,有参考刻度
差压开关 H100K型:一个单刀双掷输出;NEMA 4X外壳,环氧涂层;内部可调,有参考刻度
温度开关 B100型:直插式;一个单刀双掷输出,内部可调,有参考刻度
C100型:直插式,一个单刀双掷输出,内部可调,无参考刻度
E100型:温包及毛细管式;一个单刀双掷输出,内部可调,有参考刻度
F100型:温包及毛细管式;一个单刀双掷输出,内部可调,无参考刻度
美国UE H100-18*系列产品型号参数对应表
| 型号 | 可调整压力范围 | 死区 | 工作压力 | 耐压 | 接液材质 | 压力接口 |
| H100-183 | 0.1-1.4 bar | 20.7-172.4 mbar | 34.5 bar | 68.9 bar | 316L不锈钢 | 1/2”NPTF |
| H100-184 | 0.1-3.4 bar | 20.7-206.8 mbar | 34.5 bar | 68.9 bar | 316L不锈钢 | 1/2”NPTF |
| H100-185 | 0.3-6.9 bar | 34.5-413.7 mbar | 34.5 bar | 68.9 bar | 316L不锈钢 | 1/2”NPTF |
| H100-186 | 0.6-13.8 bar | 0.1-0.8 bar | 34.5 bar | 68.9 bar | 316L不锈钢 | 1/2”NPTF |
| H100-188 | 3.4-68.9 bar | 1.7-8.6 bar | 137.9 bar | 482.6 bar | 316L不锈钢 | 1/2”NPTF |
| H100-189 | 17.2-241.3 bar | 3.4-20.7 bar | 275.8 bar | 482.6 bar | 316L不锈钢 | 1/2”NPTF |

走进奥信
公司简介 联系我们解决方案
技术文章 行业应用我们的理念
用科技创新的理念撰写辉煌篇章,向世界展现一幅优品的设计蓝图。
专注的态度成就专业的品质,西安奥信与您携手追求时尚品。
购买的愉悦不仅仅是获得,更是其中的服务,以温馨的服务带来全新的体验。