J120-189-XD002哈C防腐膜片高压开关24MPa美国UE开关防爆 西安奥信UE 3C认证 SIL2认证
![]() |
![]() |
![]() |
![]() |
![]() |
![]() |
![]() |
| 发布时间:2026-03-05 | ||||||
美国UE开关防爆J120-189-XD002哈C防腐膜片高压开关24MPa
美国UE开关概要
在选择工业用压力、差压或温度开关时,经常要考 虑其安全性能,以保护设备和人员的安全性。120 系列产品满足了 UL、CSA、ATEX 等标准,并能符合 多个国家地区的*要求,可用于爆炸区域及含有 强腐蚀气体环境中,对设备和人员安全给予保护。
120 系列可以提供不同的压力,差压,真空和温度 范围,同样可以提供不同的连接方式,各种不同的 材料以及感压元件类型,正是由于这种灵活的选择 方式使的 120 系列可广泛应用于各种场所,如化 工,石化,炼油,油田,钻井平台,输油管线以及制药 等各种工业过程。
UE开关性能特点
● 符合各类标准*要求 ,包括 cULus, ATEX & IECEx
● 可选符合俄罗斯、乌克兰以及国内 的标准*要求
● 有参考刻度的内部调整及有防误操 作盒盖的外部调整
● 可调旋钮的盖锁
● 多种传感器材质可选
● 对于强腐蚀场所可选用哈氏合金, 蒙乃尔材料
● 大范围可调死区型号
● 易冲洗式传感元件
● 热追踪温度型号
● 大部分的产品可快速供货
防爆UE开关技术参数
储存温度: -65to160℉ (-54~71℃)
环境温度: -58 to 160℉ (-50 to 71℃)
设定点重复性: 根据型号分为±0.5%、±1%、±1.5%、±2%
外壳: 铝合金压铸壳体(Max.0.4%铜);环氧树脂涂层;垫圈密封
外壳等级: IP65、IP66
开关输出: 一个或两个单刀双掷(SPDT)输出;部分开关可选双刀双掷(DPDT)输出
触点电气额定值: 15A 125/250/480 VAC,电器开关用于直流电源,触点容量将会变小
重量: 3—8 磅;(因型号而异)
电器接口: 一个 3/4NPT或两个 3/4NPT (根据型号)
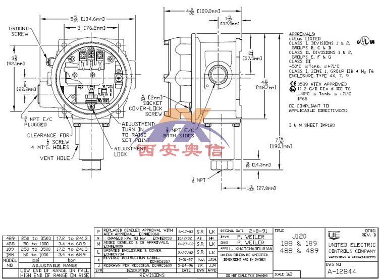
UE开关选型:J120 型号,内部可调,单点开关,两个电气接口
美国UE开关防爆J120-189-XD002哈C防腐膜片高压开关24MPa
量程范围:17.2-241.3bar 回差3.4-20.7bar 压力max 275.8bar 耐压482.6bar 膜片材质:HC膜片 过程接口:316不锈钢1/2NPT
| 型号 | 可调整压力范围 | 死区 | 工作压力 | 耐压 | 接液材质 | 压力接口 |
| J120-183 | 0.1-1.4bar | 20.7-172.4mbar | 34.5bar | 68.9bar | 焊接316L | 1/2NPTF |
| J120-184 | 0.1-3.4bar | 20.7-206.8mbar | 34.5bar | 68.9bar | 焊接316L | 1/2NPTF |
| J120-185 | 0.3-6.9bar | 34.5-413.7mbar | 34.5bar | 68.9bar | 焊接316L | 1/2NPTF |
| J120-186 | 0.6-13.8bar | 0.1-0.8bar | 34.5bar | 68.9bar | 焊接316L | 1/2NPTF |
| J120-188 | 3.4-68.9bar | 1.7-8.6bar | 137.9bar | 482.6bar | 焊接316L | 1/2NPTF |
| J120-189 | 17.2-241.3bar | 3.4-20.7bar | 275.8bar | 482.6bar | 焊接316L | 1/2NPTF |

走进奥信
公司简介 联系我们解决方案
技术文章 行业应用我们的理念
用科技创新的理念撰写辉煌篇章,向世界展现一幅优品的设计蓝图。
专注的态度成就专业的品质,西安奥信与您携手追求时尚品。
购买的愉悦不仅仅是获得,更是其中的服务,以温馨的服务带来全新的体验。