美国UE压力开关 美国UE UE温度开关 UE差压开关 UE炉膛负压开关 UE高压开关 UE微压开关 H100-188-XD002
![]() |
![]() |
![]() |
![]() |
![]() |
![]() |
![]() |
| 发布时间:2022-07-28 | ||||||
防腐开关型号(氯离子含量高的废水等)
H100-183-XD002-XP112-1/2NPTF,范围:0.1~1.4bar
H100-184-XD002-XP112-1/2NPTF,范围:0.1~3.4bar
H100-185-XD002-XP112-1/2NPTF,范围:0.6~6.9bar
H100-186-XD002-XP112-1/2NPTF,范围:0.6~13.8bar
H100-188-XD002-XP112-1/2NPTF,范围:3.4~68.9bar
H100-189-XD002-XP112-1/2NPTF,范围:17.2~241.3bar
特点
1,H100系列为不防爆系列。外壳防护等级IP66.
2,适用于高腐蚀性介质,比如污水,工业废水,RO反渗透水泵进出口等。
3,膜片和接头材质可选:316L,哈氏合金C,锰乃尔等。
4,螺纹安装方式,快速,经济,简约等优势。
常规UE开关-316L不锈钢压力开关
H100-183 H100-184 H100-185 H100-186 H100-188 H100-189
H100-483 H100-484 H100-485 H100-486 H100-488 H100-489
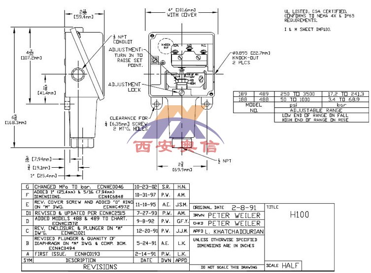
压力开关 P/N:H100-188 OPTIONS:XD002 压力范围:50 to 1000psi 耐压: 7000psi HC膜片
工作原理
工作原理为纯机械形变导致微动开关动作。当压力增加时,作用在不同的传感压力元器件(膜片、波纹管、活塞)产生形变,将向上移动,通过栏杆弹簧等机械结构,zui终启动zui上端的微动开关,使电信号输出,设定方式从功能原理上又分成连续位移型和力平衡型。
性能特点
● 满足 UL list 和 cUL *以及 CE 标准
● 单点输出(SPDT 或 DPDT)
● 焊接不锈钢膜片
● 水柱级低压和差压开关
● 多种可选择的传感材料可满足各种腐蚀性介质的需求
● 光洁的不锈钢卫生级别的接口
● *宽的死区可调可满足泵类需求
美国UE H100-18*系列产品型号及具体参数
| 型号 | 可调整压力范围 | 死区 | 工作压力 | 耐压 | 接液材质 | 压力接口 |
| H100-183 | 0.1-1.4 bar | 20.7-172.4 mbar | 34.5 bar | 68.9 bar | 316L不锈钢 | 1/2”NPTF |
| H100-184 | 0.1-3.4 bar | 20.7-206.8 mbar | 34.5 bar | 68.9 bar | 316L不锈钢 | 1/2”NPTF |
| H100-185 | 0.3-6.9 bar | 34.5-413.7 mbar | 34.5 bar | 68.9 bar | 316L不锈钢 | 1/2”NPTF |
| H100-186 | 0.6-13.8 bar | 0.1-0.8 bar | 34.5 bar | 68.9 bar | 316L不锈钢 | 1/2”NPTF |
| H100-188 | 3.4-68.9 bar | 1.7-8.6 bar | 137.9 bar | 482.6 bar | 316L不锈钢 | 1/2”NPTF |
| H100-189 | 17.2-241.3 bar | 3.4-20.7 bar | 275.8 bar | 482.6 bar | 316L不锈钢 | 1/2”NPTF |


走进奥信
公司简介 联系我们解决方案
技术文章 行业应用我们的理念
用科技创新的理念撰写辉煌篇章,向世界展现一幅优品的设计蓝图。
专注的态度成就专业的品质,西安奥信与您携手追求时尚品。
购买的愉悦不仅仅是获得,更是其中的服务,以温馨的服务带来全新的体验。