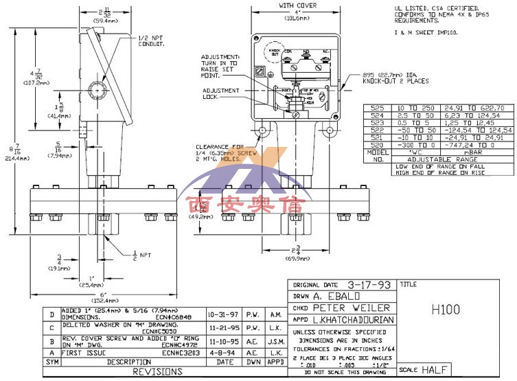
美国UE压力开关 美国UE UE温度开关 UE差压开关 UE炉膛负压开关 UE高压开关 UE微压开关 H100-522-XC004
![]() |
![]() |
![]() |
![]() |
![]() |
![]() |
![]() |
| 发布时间:2023-02-17 | ||||||
应用
·泵和压缩机
·流体动力/液压设备
·临界处理装置功能的极限保护
·防火系统
·热跟踪和低温保护
·温度控制系统
性能特点
● 满足UL list 和 cUL *以及CE 标准
● 单点输出(SPDT 或DPDT)
● 焊接不锈钢膜片
● 水柱级低压和差压开关
● 多种可选择的传感材料可满足各种腐蚀性介质的需求
● 光洁的不锈钢卫生级别的接口
● *宽的死区可调可满足泵类需求
UE压力开关 普通型/防爆型
316L不锈钢膜片
H100-520-XC004 H100-521-XC004 H100-522-XC004
H100-523-XC004 H100-524-XC004 H100-525-XC004
J120-520-XC004 J120-521-XC004 J120-522-XC004
J120-523-XC004 J120-524-XC004 J120-525-XC004
参数备注
选项-XC004:316L接口和316L感压膜片,viton密封圈
膜片材质: Buna-N丁腈橡胶膜片或焊接316L膜片
压力接口:1/2NPTF
可调量程:-746.7mbar~622.3mabr
开关信号:SPDT单刀双掷
电气接口:1/2NPTF
外壳材质:铸铝壳体,环氧树脂防腐涂层
防护等级:IP66
H100-52X压力开关范围
| 型号 | 可调整压力范围 | 死区 | 工作压力 | 耐压 | 接液材质 | 压力接口 |
| H100-520 | -746.7-0mbar | 0.5-19.9mbar | 13.8bar | 27.6bar | 定睛橡胶膜片及O型圈 | 1/2NPTF |
| H100-521 | -24.9-24.9mbar | 0.2-1.5mbar | 13.8bar | 27.6bar | 定睛橡胶膜片及O型圈 | 1/2NPTF |
| H100-522 | -124.5-124.5mbar | 0.2-7.5mbar | 13.8bar | 27.6bar | 定睛橡胶膜片及O型圈 | 1/2NPTF |
| H100-523 | 1.2-12.4mbar | 0.2-0.7mbar | 13.8bar | 27.6bar | 定睛橡胶膜片及O型圈 | 1/2NPTF |
| H100-524 | 6.2-124.5mbar | 0.2-2.0mbar | 13.8bar | 27.6bar | 定睛橡胶膜片及O型圈 | 1/2NPTF |
| H100-525 | 24.9-622.3mbar | 0.2-14.9mbar | 13.8bar | 27.6bar | 定睛橡胶膜片及O型圈 | 1/2NPTF |


走进奥信
公司简介 联系我们解决方案
技术文章 行业应用我们的理念
用科技创新的理念撰写辉煌篇章,向世界展现一幅优品的设计蓝图。
专注的态度成就专业的品质,西安奥信与您携手追求时尚品。
购买的愉悦不仅仅是获得,更是其中的服务,以温馨的服务带来全新的体验。