美国UE压力开关 美国UE UE温度开关 UE差压开关 UE炉膛负压开关 UE高压开关 UE微压开关 H100-521-XC004
![]() |
![]() |
![]() |
![]() |
![]() |
![]() |
![]() |
| 发布时间:2023-02-17 | ||||||
美国UE H100系列压力开关概要
100 系列压力及温度开关是性能价格比*好的系列开关,广泛应用于工业过程及OEM 用户,一体化的设计及外壳的形状结构使其更加坚固,接线更加方便。全天候系列开关有多种微动开关和多种过程接口的选择,以满足各种不同的需求。利用其自身的特性,100 系列广泛应用于热跟踪,防冻保护,过程装置(泵,压缩机),报警盘输入及火焰阻断系统。
炉膛正负压/微压原理
大多数燃煤锅炉采用平衡通风方式,使炉内烟气压力低于外界大气压力,即炉内烟气为负压。自炉底到炉膛顶部,由于高温烟气产生自生通风压头的作用,烟气压力是逐渐升高的。烟气离开炉膛后,沿烟道克服各受热面阻力,烟气压力又逐渐降低,这样,炉内烟气压力*的部位是在炉膛顶部。所谓炉膛负压,即指炉膛顶部的烟气压力,一般维持负压为20—40Pa。炉膛负压太大,使漏风量增大,结果吸风机电耗、不完全燃烧热损失、排烟热损失均增大,甚至使燃烧不稳或灭火。炉膛负压小甚至变为正压时,火焰及飞灰将通过炉膛不严密处冒出,恶化工作环境甚至危及人身及设备安全。 运行中,只要能维持从炉膛排出的烟气量等于燃料燃烧实际生成的烟气量,就能维持炉膛负压稳定。炉膛负压是通过调节吸、送风机风量的平衡关系实现的。
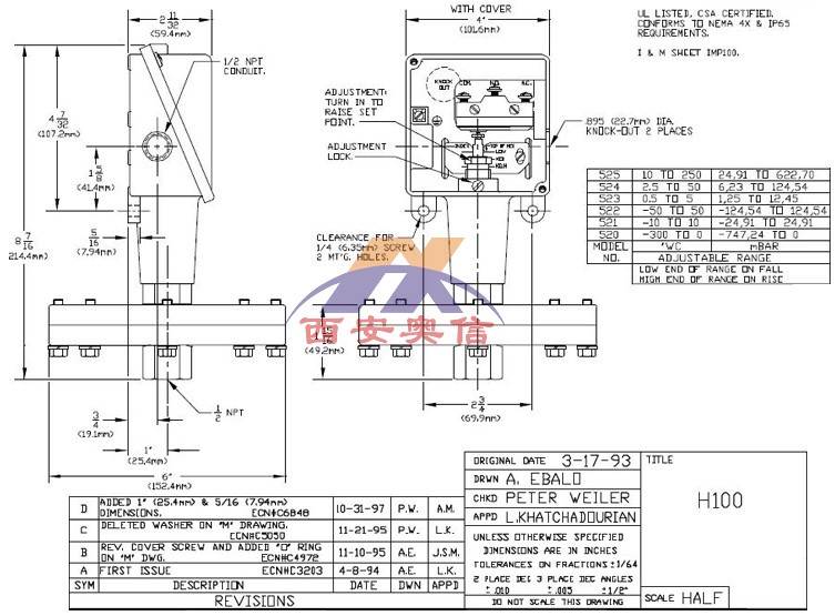
压力开关 P/N:H100-521 OPTIONS: XC004 压力范围:-24.9mbar-24.9mabr,耐压:400psi 316不锈钢膜片
UE压力开关 普通型/防爆型
H100-520-XC004 H100-521-XC004 H100-522-XC004
H100-523-XC004 H100-524-XC004 H100-525-XC004
J120-520-XC004 J120-521-XC004 J120-522-XC004
J120-523-XC004 J120-524-XC004 J120-525-XC004
UE开关后缀选项代码
XC004:316L不锈钢压力接口,316L不锈钢膜片氟橡胶O型圈,*大工作压力小于100PSI.
100 系列(通用型压力、真空、温度开关)
0140 金触点 (一般金触点不会被阳氧化,所以金触点的使用寿命相比一般的金属触点,会长很多。)
M201 工厂设定,需指明上升或下降设定
M277 铭牌上用kPa 或MPa 作为压力范围单位,工厂选择。不适用于温度开关
M278 铭牌上用kg/cm2 作为压力单位,不适用于温度开关
M405 符合欧洲ATEX 本质安全标准
M406 符合俄罗斯Gosgortechnadzor 隔爆本质安全标准
M421 隔爆接线盒,仅适合俄罗斯隔爆标准
M423 符合ATEX 的隔爆接线盒
M430 盖锁
M444 纸制标牌
M446 不锈钢标牌
M460 外部接地螺钉; 用于非金属管道系统(ATEX 装置)
UE炉膛开关H100-52*具体参数
| 型号 | 可调整压力范围 | 死区 | 工作压力 | 耐压 | 接液材质 | 压力接口 |
| H100-520 | -746.7-0mbar | 0.5-19.9mbar | 13.8bar | 27.6bar | 定睛橡胶膜片及O型圈 | 1/2NPTF |
| H100-521 | -24.9-24.9mbar | 0.2-1.5mbar | 13.8bar | 27.6bar | 定睛橡胶膜片及O型圈 | 1/2NPTF |
| H100-522 | -124.5-124.5mbar | 0.2-7.5mbar | 13.8bar | 27.6bar | 定睛橡胶膜片及O型圈 | 1/2NPTF |
| H100-523 | 1.2-12.4mbar | 0.2-0.7mbar | 13.8bar | 27.6bar | 定睛橡胶膜片及O型圈 | 1/2NPTF |
| H100-524 | 6.2-124.5mbar | 0.2-2.0mbar | 13.8bar | 27.6bar | 定睛橡胶膜片及O型圈 | 1/2NPTF |
| H100-525 | 24.9-622.3mbar | 0.2-14.9mbar | 13.8bar | 27.6bar | 定睛橡胶膜片及O型圈 | 1/2NPTF |


走进奥信
公司简介 联系我们解决方案
技术文章 行业应用我们的理念
用科技创新的理念撰写辉煌篇章,向世界展现一幅优品的设计蓝图。
专注的态度成就专业的品质,西安奥信与您携手追求时尚品。
购买的愉悦不仅仅是获得,更是其中的服务,以温馨的服务带来全新的体验。