美国UE压力开关 美国UE UE温度开关 UE差压开关 UE炉膛负压开关 UE高压开关 UE微压开关 H100-488-0500
![]() |
![]() |
![]() |
![]() |
![]() |
![]() |
![]() |
| 发布时间:2022-07-26 | ||||||
性能特点
● 一个开关量信号输出
● 环氧树脂涂层和铸铝结构的壳体满足NEMA 4X 的标准
● 设定点锁定防误操作
● 热追踪及防冻保护
● 耐压可达10,000psi(689.5bar)
● 可调整范围
开关选项
0140 金触点,电额定值1安培,125VAC;不适用13545,13546,15623,15731-15884型;
0500 减小死区值,电额定值5安培,125/250VAC,不适用于520-535,13545,13546,15623 15731-15884型,不适用于H100K的540-548
1010 双刀双掷开关,电额定值10安培,125/250VAC,死区和*小设定值将增大;不适用于温度开关及H100K的540-548型;
1070 电额定值10安培,125V直流;死区和*小设定值将增大;不适用于171-194,483-535,560-567,13545,13546,15623,15731-15884型;
1519 可调死区,电额定值15安培,125/250/480VAC,调节轮仅能增大死区的值,如需要减少,不加此选项;不适用于B100,E100或171-194,483-494,540-567,610-616,51623,15731-15884型
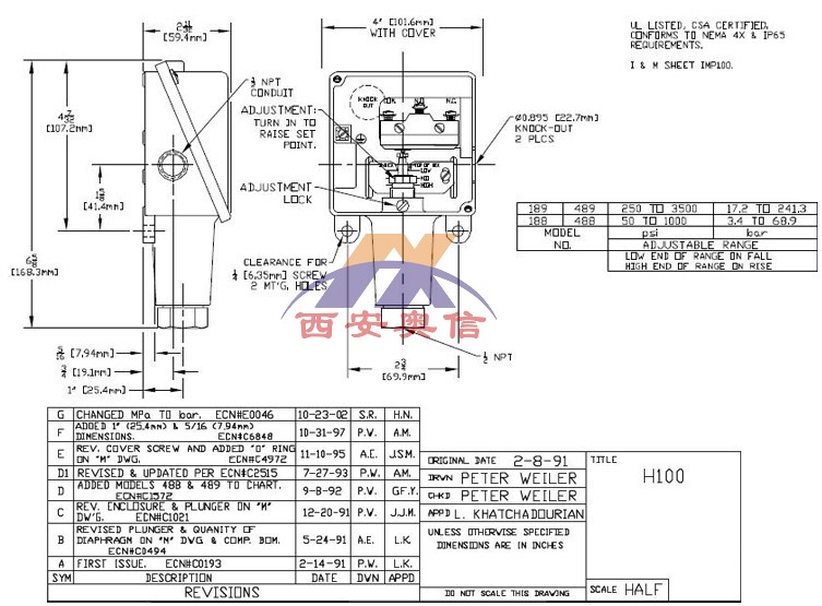
压力开关 P/N:H100-488 OPTIONS: 0500 压力范围:3.4 to 68.9bar,耐压:7000psi 316L不锈钢膜片 减小死区值
常用型号
H100-483 H100-484 H100-486 H100-486 H100-488 H100-489
J120-483 J120-484 J120-485 J120-486 J120-488 J120-489
H100-183 H100-184 H100-185 H100-186 H100-188 H100-189
J120-183 J120-184 J120-185 J120-186 J120-188 J120-189
工作原理
压力开关 H100型:一个单刀双掷输出;NEMA 4X外壳,环氧涂层;内部可调,有参考刻度
差压开关 H100K型:一个单刀双掷输出;NEMA 4X外壳,环氧涂层;内部可调,有参考刻度
温度开关 B100型:直插式;一个单刀双掷输出,内部可调,有参考刻度
C100型:直插式,一个单刀双掷输出,内部可调,无参考刻度
E100型:温包及毛细管式;一个单刀双掷输出,内部可调,有参考刻度
F100型:温包及毛细管式;一个单刀双掷输出,内部可调,无参考刻度
H100-48*系列产品型号及具体参数
| 型号 | 可调整压力范围 | 死区 | 工作压力 | 耐压 | 接液材质 | 压力接口 |
| H100-483 | 0.1-1.4 bar | 20.7-172.4 mbar | 34.5 bar | 68.9 bar | 316L不锈钢 | 1/2”NPTF |
| H100-484 | 0.1-3.4 bar | 20.7-206.8 mbar | 34.5 bar | 68.9 bar | 316L不锈钢 | 1/2”NPTF |
| H100-485 | 0.3-6.9 bar | 34.5-413.7 mbar | 34.5 bar | 68.9 bar | 316L不锈钢 | 1/2”NPTF |
| H100-486 | 0.6-13.8 bar | 0.1-0.8 bar | 34.5 bar | 68.9 bar | 316L不锈钢 | 1/2”NPTF |
| H100-488 | 3.4-68.9 bar | 1.7-8.6 bar | 137.9 bar | 482.6 bar | 316L不锈钢 | 1/2”NPTF |
| H100-489 | 17.2-241.3 bar | 3.4-20.7 bar | 275.8 bar | 482.6 bar | 316L不锈钢 | 1/2”NPTF |


走进奥信
公司简介 联系我们解决方案
技术文章 行业应用我们的理念
用科技创新的理念撰写辉煌篇章,向世界展现一幅优品的设计蓝图。
专注的态度成就专业的品质,西安奥信与您携手追求时尚品。
购买的愉悦不仅仅是获得,更是其中的服务,以温馨的服务带来全新的体验。