美国UE压力开关 美国UE UE温度开关 UE差压开关 UE炉膛负压开关 UE高压开关 UE微压开关 J120-701-1010
![]() |
![]() |
![]() |
![]() |
![]() |
![]() |
![]() |
| 发布时间:2022-07-25 | ||||||
压力开关 系列描述
J120型:一个单刀双掷输出,环氧涂层外壳,外部可调,有参考刻度;一个电气接口
H121型:一个单刀双掷输出,环氧涂层外壳,外部可调,有参考刻度;一个电气接口
H122型:两个单刀双掷输出,环氧涂层外壳,外部可调,有参考刻度;一个电气接口
H122P型:两个单刀双掷输出,密封型开关,环氧涂层外壳,外部可调,有参考刻度;一个电气接口
防爆压力开关的工作原理
防爆压力开关是通过坚固的密封壳体将接线触点密闭在坚固空间中达到隔爆的效果。
防爆压力开关工作原理为纯机械形变导致微动开关动作。当压力增加时,作用在不同的传感压力元器件(膜片、波纹管、活塞)产生形变,将向上移动,通过栏杆弹簧等机械结构,zui终启动zui上端的微动开关,使电信号输出,设定方式从功能原理上又分成连续位移型和力平衡型。防爆压力开关按原理可分为机械防爆压力开关和电子防爆压力开关,机械式中又分为普通的和密封型。
常规UE压力开关
H100-701 H100-702 H100-703
H100-704 H100-705 H100-706
隔爆型UE压力控制器
J120-701 J120-702 J120-703 J120-704 J120-705
1010-DPDT双刀双掷压力开关
J120-701-1010 J120-702-1010 J120-703-1010 J120-704-1010 J120-705-1010
-M540氟橡胶膜片
J120-701-M540 J120-702-M540 J120-703-M540 J120-704-M540 J120-705-M540
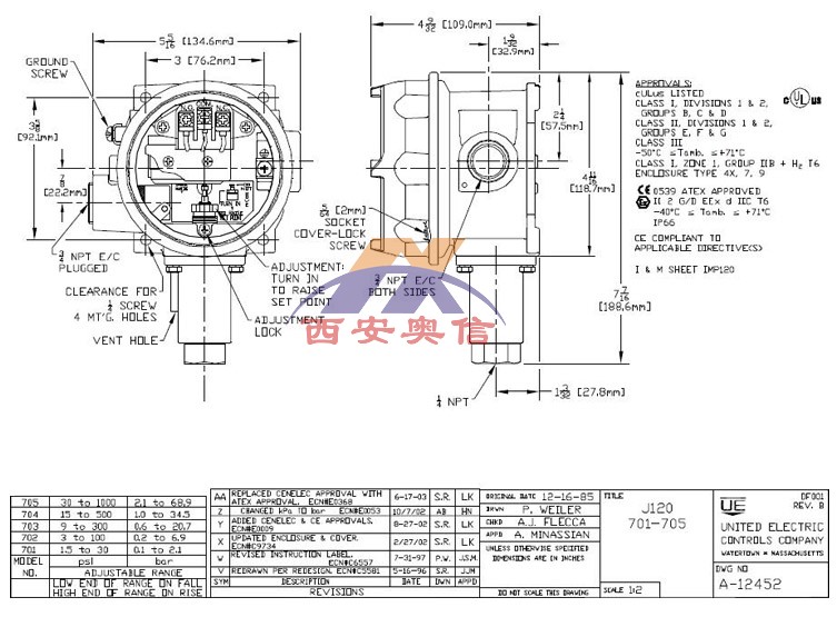
防爆压力开关 P/N:J120-701 OPTIONS: 1010 压力范围:10.3mbar to 2.1bar,耐压:1000psi DPDT双刀开关
UE压力开关部分可选项
1010 双刀双掷(DPDT)开关
M540 氟橡胶结构,标准压力接口,型号455-457表示氟橡胶膜片和O型圈及Teflon主膜片
M550 氧清洗处理
膜片材质: Buna-N丁腈橡胶膜片
压力接口:1/4NPTF黄铜接口
可调量程:103.4mbar~68.9bar
开关信号:SPDT单刀双掷
电气接口:1/2NPTF
外壳材质:铸铝壳体,环氧树脂防腐涂层
防护等级:IP66
选项-1010:开关信号DPDT
选型M540:viton氟橡胶膜片
J120系列Ex dCT6隔爆压力开关参数
| 型号 | 可调整压力范围 | 死区 | *压力 | 耐压 | 接液材质 | 压力接口 |
| J120-701 | 103.4mbar-2.1bar | 68.9mbar-0.1bar | 34.5bar | 41.4bar | 定睛橡胶膜片及O型圈 | 1/4NPTF |
| J120-702 | 0.2-6.9bar | 68.9mbar-0.3bar | 34.5bar | 41.4bar | 定睛橡胶膜片及O型圈 | 1/4NPTF |
| J120-703 | 0.6-20.7bar | 68.9mbar-0.5bar | 34.5bar | 41.4bar | 定睛橡胶膜片及O型圈 | 1/4NPTF |
| J120-704 | 1.0-34.5bar | 0.1-0.8bar | 103.4bar | 172.4bar | 定睛橡胶膜片及O型圈 | 1/4NPTF |
| J120-705 | 2.1-68.9bar | 0.2-1.5bar | 103.4bar | 172.4bar | 定睛橡胶膜片及O型圈 | 1/4NPTF |


走进奥信
公司简介 联系我们解决方案
技术文章 行业应用我们的理念
用科技创新的理念撰写辉煌篇章,向世界展现一幅优品的设计蓝图。
专注的态度成就专业的品质,西安奥信与您携手追求时尚品。
购买的愉悦不仅仅是获得,更是其中的服务,以温馨的服务带来全新的体验。