美国UE压力开关 美国UE UE温度开关 UE差压开关 UE炉膛负压开关 UE高压开关 UE微压开关 J54A-28
![]() |
![]() |
![]() |
![]() |
![]() |
![]() |
![]() |
| 发布时间:2021-06-11 | ||||||
工作原理
工作原理为纯机械形变导致微动开关动作。当压力增加时,作用在不同的传感压力元器件(膜片、波纹管、活塞)产生形变,将向上移动,通过栏杆弹簧等机械结构,启动上端的微动开关,使电信号输出,设定方式从功能原理上又分成连续位移型和力平衡型。
性能选项
·压力开关采用Viton材料
·Polysulphone 压力接口
·高压应用时为活塞传感元件
·温包和毛细管材料选择可以为紫铜或不锈钢
·温度开关有完全独立的护套和连接件
·多种开关输出选择包括手动动复位、可调节死区、减小死区值
应用
·灌溉抽水系统
·灭火设备和灭火喷洒装置开关
·医学的应用
·实验室设备
·食品机械
如何选型
确定产品型号
选择系列
参考下列“系列”部分
根据开关输出,外壳等级调节方式和参考刻度类型确定开关系列
把选定的系列号码填入相应的系列部分
选择型号
参考“型号表”
根据可调范围,死区和耐压,确定型号。
将相应数字填入型号部分
选择可选项
参考“选项”部分
根据开关输出,可选材料或其他功能的增项来选择选型;
把选定的选项号填入选项部分;
如果没有选项,可省略不填;
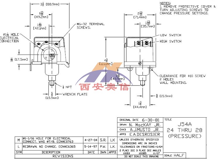
美国UE54系列常规型号:
J54-22 J54-24 J54-25 J54-27 J54-28
J54-126 J54-137 J54-144 J54-146 J54-152 J54-156 J54-164 J54-610 J54-612 J54-614
J54A-22 J54A-24 J54A-25 J54A-27 J54A-28
J54A-126 J54A-137 J54A-144 J54A-146 J54A-152 J54A-156 J54A-164
J54S-22 J54S-24 J54S-25 J54S-27 J54S-28
J54S-126 J54S-137 J54S-144J54S-146 J54S-152 J54S-156 J54S-164 J54S-610 J54S-612 J54S-614
J54AS-22 J54AS-24 J54AS-25 J54AS-27 J54AS-28
J54AS-126 J54AS-137 J54AS-144 J54AS-146 J54AS-152 J54AS-156 J54AS-164
H54-22 H54-24 H54-25 H54-27 H54-28
H54-126 H54-137 H54-144 H54-146 H54-152 H54-156 H54-164
H54S-22 H54S-24 H54S-25 H54S-27 H54S-28
H54S-126 H54S-137 H54S-144 H54S-146 H54S-152 H54S-156 H54S-164
B54-103 B54-109 B54S-103 B54S-109 C54-103 C54-109 C54S-103 C54S-109 C54A-103 C54A-109
C54AS-103 C54AS-109
E54-D20BC E54-21BC E54-D22BC E54-D23BC F54-D20BC F54-21BC F54-D22BC F54-D23BC
E54-D20BS E54-D21BS E54-D22BS E54-23BS F54-D20BS F54-D21BS F54-D22BS F54-23BS
E54S-D21BC E54S-D22BC E54S-D23BC F54S-D21BC F54S-D22BC F54S-D23BC
E54S-D21BS E54S-D22BS E54S-D23BS F54S-D21BS F54S-D22BS F54S-D23BS
J54/J54A/J54S/J54AS/H54/H54S-22-M201-XY468 丁晴橡胶膜片和O型圈,1/4NPT外铝制压力接口,*于处理温度低于93℃
J54J54AJ54SJ54ASH54H54S 系列部分产品型号及压力测量范围:
| 型号 | 可调整压力范围 | 死区 | *压力 | 耐压 | 压力接口 |
| 22 | -1-0bar | 33.9-118.5 mbar | 0 bar | 3.4 bar | 1/4NPT外 |
| 24 | 0.2-2.1bar | 27.6-89.6 mbar | 3.4 bar | 13.8 bar | 1/4NPT外 |
| 25 | 0.7-6.9bar | 68.9-172.4 mbar | 6.9 bar | Above | 1/4NPT外 |
| 27 | 2.1-20.7bar | 89.6-275.8 mbar | Above | Set point | 1/4NPT外 |
| 28 | 3.4-34.5bar | 103.4-344.7 mbar | Set point | Max 41.4 | 1/4NPT外 |

走进奥信
公司简介 联系我们解决方案
技术文章 行业应用我们的理念
用科技创新的理念撰写辉煌篇章,向世界展现一幅优品的设计蓝图。
专注的态度成就专业的品质,西安奥信与您携手追求时尚品。
购买的愉悦不仅仅是获得,更是其中的服务,以温馨的服务带来全新的体验。