压力开关 UE J120-489 防爆高压开关 17.2-241.3bar 美国UE开关
![]() |
![]() |
![]() |
![]() |
![]() |
![]() |
![]() |
| 发布时间:2021-06-15 | ||||||
J120-489防爆高压开关17.2-241.3bar美国UE开关
J120系列的应用与优势
120系列是工业开关的理想选择,适用于具有潜在爆炸可能或高腐蚀性环境的工作地点。这款通过SIL 2级*的开关支持各种压力、真空、压差和温度范围调节,并提供工业流程连接、湿材料和各种类型的传感器功能。通过其通用而灵活平台,可在工厂快速调整型号设定,如量程范围、工艺连接和触电容量等,以满足特殊工业需求。化工、石油化工、石油精炼加工、石油天然气和制药等行业的生产与运输都需要用到这款SIL*的120系列开关。
产品通过INMETRO*。标准产品*包括cULus、ATEX和IECEx。此外还通过了世界各地危险场所的适用性*;
通过1类第1、2种以及1区危险场所适用性*;
SIL-2级*开关;
单刀双掷或双刀双掷开关单输出,或单刀双掷开关双输出;
多种材料和传感器范围可供选择,包括焊接的不锈钢隔膜或波纹管传感器、镶嵌式传感器,以及可选配的适用于腐蚀性介质Hastelloy®和Monel®传感器材料;
提供防冻和热跟踪的温度保护型号;
提供各种量程范围的可调整型号;
拥有可内部或外部调整设定点;
双向电器接口开孔便于接线端子接线
可调节范围:
压力和真空度:30″Hg (英寸汞柱)真空至6000(磅力每平方英寸)(-1至414巴)
英寸水柱。300英寸真空水柱至250英寸压力水柱(-746.7至622.3毫巴)
压差:0.2 “wcd(英寸水柱差)至500 psi(磅差每平方英寸)(0.5毫巴至34.5毫巴)
温度:-85°C至343.3°C(-120°F至650°F)
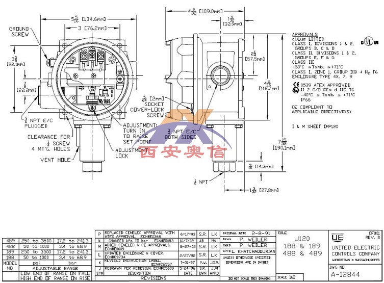
J120-489美国UE防爆开关 压力设定范围17.2-241.3bar *大压力4000Psi/275.8bar 耐压7000Psi/482.6bar
316L不锈钢膜片(可选哈氏合金C或蒙乃尔膜片);氟橡胶(Viton)GLT 0型圈(可选Kalrea 乙丙烯或者是Aflas); 316不锈钢1/2NPTF压力接口 (可选哈氏合金B或者C,蒙乃尔等材质) 0.06"感压孔,488及489 有一个316L不锈钢1/2NPTF压力接口
通用性能参数
储存温度:-65 to 160℉(-54~71℃)
环境温度:-58 to 160℉(-50 to 71℃);
设定点重复性:压力型号483-494,为可调范围的±1.5%;
切换差:分为可调和不可调两种(参考选型表数据)
抗冲击:经10 毫秒、15G 冲击实验后,可重现设定点
抗振动:经2.5G、5—500Hz 振动实验后,可重现设定点
外壳:铝合金压铸壳体(Max.0.4%铜);环氧树脂涂层;垫圈密封;前标为J,G,F 的开关具有内部设定点锁定功能;铝合金铭牌
外壳等级:外壳等级为4X。 Class I Division 1的开关外壳等级为7;ClassII Division 1开关外壳等级为9。IP66。
外壳防爆等级:Ex d II C T6。
膜片材质:焊接316L不锈钢
压力接口:1/2NPTF 可根据现场需要,特殊订制
开关输出:一个或两个单刀双掷(SPDT)输出;双开关可在调整范围内进行百分bai分别设定。
触电电气额定值:15A125/250/480 VAC(标准)开关可接“常开型”或“常闭型”
电器接口:两个3/4''NPT E/C;标准接线端子
设定点:双点和三点开关每个报警值间隔不得超过量程的30%。
使用寿命:100 0000次循环
J120-48X具体参数
型号 可调整设定范围 死区 zd压力 耐压**
Model Adjustable Set Point Range Deadband Over Range Proof
psi bar psi bar psi bar psi bar
316L stainless steel diaphragm (optional Hastelloy® C or Monel®); Viton® GLT O-Ring (optional Kalrez® Silicone Ethylene Propylene or Aflas®); 316stainless steel 1/2” NPT (female) pressure connection (optional Hastelloy® C or Monel®) large 0.06” orifice for clean-out purposes. Models 188 and189 have a 316L stainless steel 1/2” NPT (female) pressure connection (NACE MR-0175 compliant)
483 1 to 20 01 to 14 0.3 to 2.5 207 to 1724 mbar 500 345 1000 68.9
484 2 to 50 01 to 34 0.3 to 3 207 to 2068 mbar 500 345 1000 68.9
485 4 to 100 03 to 69 0.5 to 6 345 to 4137 mbar 500 345 1000 68.9
486 8 to 200 06 to 138 1 to 11 01 to 08 500 345 1000 68.9
488 50 to 1000 34 to 689 25 to 125 17 to 86 2000 1379 7000 482.6
489 250 to 3500 172 to 2413 50 to 300 34 to 207 4000 2758 7000 482.6
J120-489防爆高压开关17.2-241.3bar美国UE开关

走进奥信
公司简介 联系我们解决方案
技术文章 行业应用我们的理念
用科技创新的理念撰写辉煌篇章,向世界展现一幅优品的设计蓝图。
专注的态度成就专业的品质,西安奥信与您携手追求时尚品。
购买的愉悦不仅仅是获得,更是其中的服务,以温馨的服务带来全新的体验。