400系列概要
400系列压力开关是一种多用处的系列开关,特别适用于需要多点输出和控制时。双点和3点设定提供多点的输出,可用于报警和关断,预警和报警,高/低限个液位控制功能。此系列开关有多种微动开关和多种过程接口的选择,使得400系列开关可以满足各种不同的需求。
由于其自身的特性,400系列广泛应用于保护与控制,工业过程装置及泵,汽轮机,压缩机,纸浆和造纸,水及污水处理等行业.
性能特点
· 一个,两个或三个开关量输出,设定点范围内*跨度的分别设定
· 环氧树脂涂层和铸铝结构的壳体满足NEMA 4X的标准
. 有多种压力构件和材料的选择
. 设定时有参考刻度货六角螺钉调节
. 通过FM*
技术参数
储存温度 -54~71℃
环境温度 -40~71℃ 环境温度每变化28℃,设定点典型的漂移不超过1%
设定点重复性 温度开关:可调范围内±1%;
压力开关126-376型,520-535型:可调范围内±1%;440-559型:可调范围内±0.5%;610-614型: 可调范围内±1.5%
耐冲击 经15G,10毫秒周期试验. 可重现设定点
抗振动 经2.5G,5~500HZ振动试验,可重现设定点
外壳 压铸铝合金,带环氧树脂涂层.垫圈密封.卡紧螺丝
外壳防护等级 加选项M900可符合NEMA4X.IP65要求(防水型电气接口) 开关输出 一个.两个或三个单刀双掷(SPDT)输出.可在全范围内分别设定.531-534型为50%;520、525、535型为30%;开关可接成"常开型"或"常闭型"
电额定值 15安培. 125/250/480伏交流
重量 约重3-7.5磅
美国UE 400系列压力开关描述
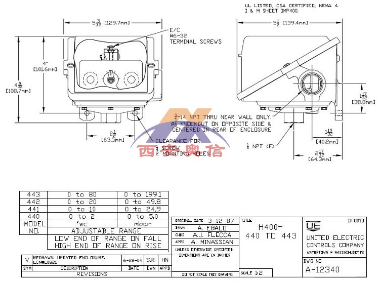
H400型:一个单刀双掷输出,内部可调,有参考刻度;
H402型:二个单刀双掷输出,内部可调,有参考刻度;
H400-440 H400-441 H400-442 H400-443 H400-448
H400-450 H400-452 H400-453 H400-454
H402-450 H402-452 H402-453 H402-454
感压元件材质:Buna-N膜片+O型圈
压力接口:1/4NPTF
可调量程:-1~2.1bar
开关信号:SPDT,2*SPDT
电气接口:3/4NPTF
外壳材质:铸铝壳体,环氧树脂防腐涂层
防护等级:IP66
储存温度: -54~71℃
环境温度: -40~71℃;
开关精度:1.0%或1.5%
开关输出: 一个单刀双掷(SPDT)动作开关.常开、常闭接点,部分型号可选双刀双掷(DPDT)。
电额定值:15安培. 125/250/480伏交流、24-30VDC,2A 直流
美国UE开关关于防腐的选型方案指导
膜片材质:焊接 316L不锈钢膜片、丁腈橡胶(Buna-N)膜片、氟橡胶膜片、哈氏合金C膜片、 锰乃尔膜片、钽膜片、青铜波纹管等
压力接口材质:316L 不锈钢 铝制压力接口 镀镍黄铜压力接口
量程规格
| 型号 | 可调整范围 | 死区 | 工作压力 | 耐压 | 接液材质 | 压力接口 |
| H400-440 | 0-5mbar | 0.2-0.6mbar | 0.2bar | 15.5bar | Buna-N膜片 | 1/4NPTF |
| H400-441 | 0-24.9mbar | 0.4-0.7mbar | 0.2bar | 15.5bar | Buna-N膜片 | 1/4NPTF |
| H400-442 | 0-49.8mbar | 0.5-1.2mbar | 0.2bar | 15.5bar | Buna-N膜片 | 1/4NPTF |
| H400-443 | 0-199.1mbar | 1.2-4.5mbar | 0.2bar | 15.5bar | Buna-N膜片 | 1/4NPTF |
| H400-448 | -199.1-0mbar | 2.5-7.5mbar | 0.2bar | 15.5bar | Buna-N膜片 | 1/4NPTF |
| H400-450 | -1-0bar | 3.4-13.5mbar | 0.2bar | 15.5bar | Buna-N膜片 | 1/4NPTF |
| H400-452 | -1-1.4bar | 6.8-33.9mbar | 1.4bar | 15.5bar | Buna-N膜片 | 1/4NPTF |
| H400-453 | 0-1.4bar | 3.4-13.8mbar | 1.4bar | 15.5bar | Buna-N膜片 | 1/4NPTF |
| H400-454 | 0-2.1bar | 3.4-20.7mar | 2.1bar | 15.5bar | Buna-N膜片 | 1/4NPTF |


走进奥信
公司简介 联系我们解决方案
技术文章 行业应用我们的理念
用科技创新的理念撰写辉煌篇章,向世界展现一幅优品的设计蓝图。
专注的态度成就专业的品质,西安奥信与您携手追求时尚品。
购买的愉悦不仅仅是获得,更是其中的服务,以温馨的服务带来全新的体验。