J120-566 美国UE防爆开关 316L不锈钢膜片 压力开关 卫生卡盘 美国UE
![]() |
![]() |
![]() |
![]() |
![]() |
![]() |
![]() |
| 发布时间:2021-06-15 | ||||||
J120-566美国UE防爆316L不锈钢膜片压力开关卫生级
美国UE防爆开关
压力开关可分为防爆型,使用等级范围为Exd II CT1 ~ T6,隔爆压力开关需通过UL、CSA、CE等*。可用于区域及强腐蚀气氛环境中。隔爆型压力开关可提供不同的压力,差压,真空和温度范围等产品。常见的使用范围有电力、石油、化工、冶金、锅炉、食品机械、*设备等行业。当发生紧急情况时,防爆压力开关发出信号,保护设备,或者应用于一些执行机构如阀门前,或者元件如爆破片后,在存在危险的现场输出准确可靠的报警信号。
UE 防爆压力开关*
UL注册:cULus*:温度: UL 873. UL1203,CSA C22.2 文件#E43374
压力: UL 508. UL 698. CSA C22.2 文件#E40857
级别Ⅰ. 1 & 2区. 组别 B. C和 D
级别Ⅱ. 1 & 2区.组别 E. F和 G
级别Ⅲ. 外壳形式 4X,7,9;IP66
CENELEC 防火结构.符合EN 50 014/50 018,EEx dⅡC T6 DEMKO*#02E 0212168
IS CENELEC:本质安全符合EN50 014,EN50 020,EEX iaⅡC T6(仅适用于M405选项,不包括CENELEC防火条款) DEMKO*#01E 0113749
SAA Ex dⅡT6. IP66. 级别Ⅰ.区域1,符合NACE MR-0175 (以171-193,483-493为准)
FM*. 3615及3600级别 (不是所有型号.参考选项M415的说明)
CE*,符合低电压规程(LVD)
CE*,符合压力设备规程(PED 97/23/EC)
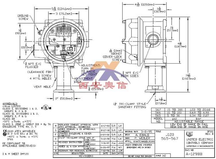
J120-566美国UE卫生级压力开关 焊接316L不锈钢膜片及压力接口 1.5"圆盘卫生等级连接,需用卡套安装 调压范围10-100Psi/0.7-6.9bar 耐压1500Psi/103.4bar
通用性能参数
储存温度:-65 to 160℉(-54~71℃)
环境温度:-58 to 160℉(-50 to 71℃);
设定点重复性:压力型号565-567,为可调范围的±1.5%;
切换差:分为可调和不可调两种(参考选型表数据)
抗冲击:经10 毫秒、15G 冲击实验后,可重现设定点
抗振动:经2.5G、5—500Hz 振动实验后,可重现设定点
外壳:铝合金压铸壳体(Max.0.4%铜);环氧树脂涂层;垫圈密封;前标为J,G,F 的开关具有内部设定点锁定功能;铝合金铭牌
外壳等级:外壳等级为4X。 Class I Division 1的开关外壳等级为7;ClassII Division 1开关外壳等级为9。IP66。
外壳防爆等级:Ex d II C T6。
开关输出:一个或两个单刀双掷(SPDT)输出;双开关可在调整范围内进行百分bai分别设定。触电电气额定值:15A125/250/480 VAC(标准)开关可接“常开型”或“常闭型”
压力接口:565-567为1.5"圆盘卫生等级连接;可根据现场需要,特殊订制
电器接口:两个3/4''NPT E/C;标准接线端子
设定点:双点和三点开关每个报警值间隔不得超过量程的30%。
开关输出:一个单刀双掷(SPDT)输出;可在调整范围内进行百分bai分别设定;
使用寿命:100 0000次循环
J120-565/J120-566/J120-567美国UE卫生级压力开关 具体压力参数
1.5” sanitary welded 316L stainless steel diaphragm and pressure connection. Mates with Tri-Clamp® fitting systems.
型号 设定范围Psi 设定范围Bar 死区Psi 死区bar *大压力Psi /bar 耐压 Psi / bar
565 5 to 30 03 to 21 1 to 5 01 to 03 1000 689 1500 1034
566 10 to 100 07 to 69 1 to 12 01 to 08 1000 689 1500 1034
567 15 to 300 10 to 207 3 to 22 02 to 15 1000 689 1500 1034
J120-566美国UE防爆316L不锈钢膜片压力开关卫生级

走进奥信
公司简介 联系我们解决方案
技术文章 行业应用我们的理念
用科技创新的理念撰写辉煌篇章,向世界展现一幅优品的设计蓝图。
专注的态度成就专业的品质,西安奥信与您携手追求时尚品。
购买的愉悦不仅仅是获得,更是其中的服务,以温馨的服务带来全新的体验。