应用领域
117系列真空开关可用在腐蚀性场所以及2区防爆要求的单点开关,坚固的外形、密封的SPDT和DPDT输出,使其广泛应用于供水及污水处理、泵及造纸、食品及饮料、钢铁厂、铝厂、石油化工和医药等。
117系列压力开关主要特点
●Class I, Division 2, Groups A, B, C & D; Class II,Division 2, Groups F & G;Class III
●全密封型快速干接点开关,带有端子盒
●真空开关有多种不同类型的传感组件材料,包括焊接不锈钢膜片及波纹管。
●环氧树脂涂层的铝制外壳
●真空开关的防护等级IP65
●真空开关是平面安装卫生级的传感器
压力开关/差压开关/温度开关
危险场合型产品: 120系列 12系列 117系列
通用型开关: 100系列 400系列 J6系列 24系列 J21K系列
电子式开关:One系列开关,可带HART协议/输出4-20mA信号/带报警
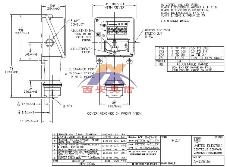
H117-173参数: 焊接316不锈钢膜片 压力范围:0.3-6.9bar 回差:6.9mbar-0.7bar
量程压力范围
| 型号 | 可调整压力范围 | 死区 | 工作压力 | 耐压 | 接液材质 | 压力接口 |
| H117-171 | 689 mbar to1.4bar | 6.9mbar-0.2bar | 34.5bar | 68.9bar | 焊接316L不锈钢膜片 | 1/2NPTF |
| H117-172 | 0.1-3.4bar | 6.9mbar-0.3bar | 34.5bar | 68.9bar | 焊接316L不锈钢膜片 | 1/2NPTF |
| H117-173 | 0.3-6.9bar | 6.9mbar-0.7bar | 34.5bar | 68.9bar | 焊接316L不锈钢膜片 | 1/2NPTF |
| H117-174 | 0.6-13.8bar | 6.9mbar-1.0bar | 34.5bar | 68.9bar | 焊接316L不锈钢膜片 | 1/2NPTF |


走进奥信
公司简介 联系我们解决方案
技术文章 行业应用我们的理念
用科技创新的理念撰写辉煌篇章,向世界展现一幅优品的设计蓝图。
专注的态度成就专业的品质,西安奥信与您携手追求时尚品。
购买的愉悦不仅仅是获得,更是其中的服务,以温馨的服务带来全新的体验。