H117系列压力开关的主要应用
UE 117系列真空开关可用在腐蚀性场所以及2区防爆要求的单点开关,坚固的外形、密封的SPDT和DPDT输出,
使其广泛应用于供水及污水处理、泵及造纸、食品及饮料、钢铁厂、铝厂、石油化工和医药等。
压力开关触点
S.P.D.T(单刀双掷):由一个常开、一个常闭触点和一个公共端构成。
D.P.D.T(双刀双掷):由一个对称的左、右公共端,两组常开、常闭端子构成。
美国UE开关的防护标准
NEMA防护等级是美国电气制造商协会工业控制装置和系统中的外壳防护标准。NEMA的防护标准除了防尘、防水之外,还包括防爆(IP代码只包括防尘和防水)。
NEMA 4X :(水封、尘封、防腐蚀、室内或室外用外壳):计划用于室内或室外,主要为了提供一定程度的保护,以防止腐蚀、飞扬粉尘和雨水、溅水、软管引出水、以及由于外部结冰引起的破坏。
NEMA 4X 相当于IP66 二者有什么区别?
NEMA 7X、NENA 9X(J120系列,针对于防爆开关)
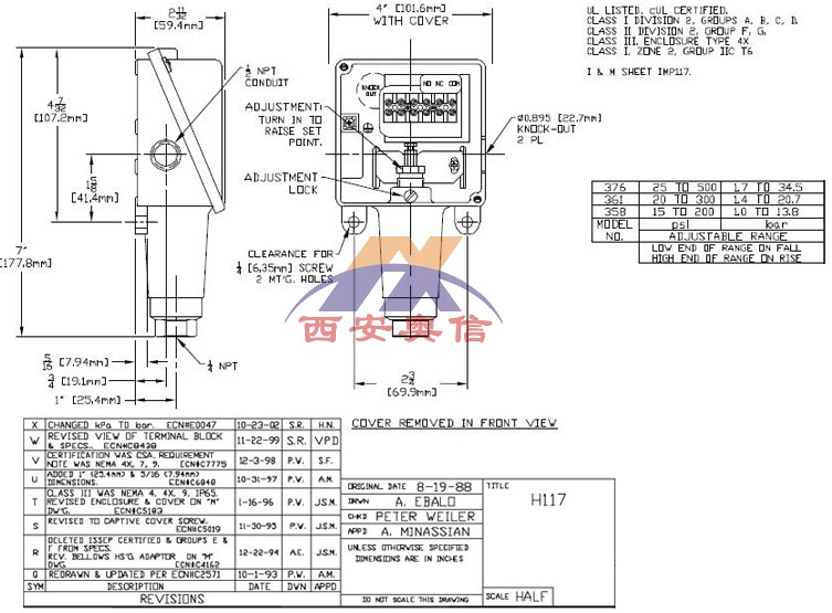
H117-361压力范围:1.4-20.7bar 回差:0.6-1.5bar 工作压力:20.7bar 焊接316L不锈钢
H117压力范围
| 型号 | 可调整压力范围 | 死区 | *压力 | 耐压 | 接液材质 | 压力接口 |
| H117-358 | 1.0-13.8bar | 0.4-1.4bar | 13.8bar | 55.2bar | 316L焊接不锈钢 | 1/4NPTF |
| H117-361 | 1.4-20.7bar | 0.6-1.5bar | 20.7bar | 55.2bar | 316L焊接不锈钢 | 1/4NPTF |
| H117-376 | 1.7-34.5bar | 0.7-1.9bar | 34.5bar | 55.2bar | 316L焊接不锈钢 | 1/4NPTF |


走进奥信
公司简介 联系我们解决方案
技术文章 行业应用我们的理念
用科技创新的理念撰写辉煌篇章,向世界展现一幅优品的设计蓝图。
专注的态度成就专业的品质,西安奥信与您携手追求时尚品。
购买的愉悦不仅仅是获得,更是其中的服务,以温馨的服务带来全新的体验。